マルツTOP > APPLICATION LAB TOPページ > おすすめ技術記事アーカイブス > アンチエイリアシングローパスフィルタの基礎(およびADCに適合させる必要性について)
アンチエイリアシングローパスフィルタの基礎(およびADCに適合させる必要性について)
著者 Art Pini 氏
Digi-Keyの北米担当編集者 提供
2020-03-24
マルツ掲載日:2020-06-29
基本的なサンプルデータ収集システムは、IoT、スマートホーム、産業制御などの用途にかかわらず、適切な対策を講じなければエイリアシングによる不正確さの影響を受けてしまいます。
エイリアシングが生じると、アナログ入力のアンダーサンプリングによってスプリアス信号が発生します。エイリアシングが生じると、ナイキスト周波数(サンプリング周波数の1/2の周波数)を上回る周波数の信号コンポーネントをベースバンドスペクトルに折り返す現象が起きます。
このときは、このような信号コンポーネントを必要な信号から分離できず、エラーの原因になります。さらに、ナイキスト周波数を超えるノイズもベースバンドに混入してしまい、必要なベースバンド信号のSNR(信号対ノイズ比)が低下します。
エイリアシングを防ぐ対策は、入力信号を帯域制限することです。つまり、A/Dコンバータ(ADC)のサンプリング周波数の半分に満たない周波数の入力信号コンポーネントをすべて制限します。帯域制限は、アンチエイリアシングフィルタと呼ばれるアナログローパスフィルタを使用して行われます。
このフィルタは、信号の歪みやノイズ、周波数による振幅変動が新たに生じないように、帯域制限を行わなければなりません。アンチエイリアシングローパスフィルタの設計では、ナイキスト周波数より上の周波数で信号振幅を急激に小さくするために、十分なストップバンド減衰による高速減衰傾度(ロールオフ)を実現する必要があります。
この記事では、アンチエイリアシングローパスフィルタの設計基準について解説し、このフィルタをADCの仕様にしっかり一致させなければならない理由とその方法についても説明します。
さらに、Analog Devicesのサンプルデバイスを使用して、アクティブまたはスイッチドコンデンサフィルタエレメントにより、アンチエイリアシングローパスフィルタを実装する方法を示します。
エイリアシングとは
エイリアシングは、システムが不十分なサンプリングレートでデータを収集する場合に発生します。信号にナイキスト周波数より大きい周波数が含まれている場合、それらはコンバータのサンプラでサンプリング周波数に混入し、ナイキスト周波数に満たない周波数にマッピングされるので、サンプリング中にさまざまな信号が混ざり合いそれらを区別できない(つまり相互にエイリアスの)状態になります(図1)。

図1:エイリアシングの例。毎秒2MS/sでサンプリングされた80kHzの正弦波(左上)には、エイリアシングが見られません。サンプリングレートを毎秒100kS/s(左下)に下げると、信号は周波数20kHzとして解釈されます。適切なサンプリングの信号とエイリアス信号の両方を重ねた図を拡大して示します(右)。そのトレース上の点はサンプリング位置を示します。 エイリアス信号を注意深く見ると、正しくサンプリングされたデータの一部となっています。(画像提供:Digi-Key Electronics)
左上のグリッドに示されている信号は、毎秒2MS/sでサンプリングされた80kHzの正弦波です。2MS/sではナイキスト周波数は1MHzで、信号の周波数はそれを十分に下回ります。左下のグリッドは、サンプリングレートが毎秒100kS/sに下がった場合の状態を示しています。ナイキスト周波数は50kHzになり、80kHz正弦波の周波数はナイキスト周波数より高くなり、エイリアシングが生じます。
上図の右側は、適切なサンプリングの信号とエイリアス信号を横に拡大して重ねた図で、実際のサンプリングは点で示されています。エイリアス信号は、2MS/sでサンプリングされた信号の一部となっています。サンプリングはミキシング処理であり、その処理の出力には入力信号とサンプリング周波数の和と差が含まれています。
100kS/sのサンプリングレートで80kHzの信号周波数では、周波数の差は20kHzです。両方のケースの周波数測定値が表示グリッドの下に表示されています。パラメータ読み取りP1は、適切なサンプリングの信号周波数は80kHzで、エイリアス信号の周波数は20kHzです。
アンチエイリアシングローパスフィルタの設計
アンチエイリアシングフィルタを設計するには、まずデータ収集システムに必要な帯域幅を決めます。これにより、ローパスフィルタのカットオフ周波数が設定されます。フィルタカットオフ周波数は、通常は-3デシベル(dB)、または電力点の半分に設定されます。この周波数は、フィルタ処理された信号の振幅がDCでの振幅の0.707に低下する周波数です。
データ収集システムの設計に、よりフラットな周波数応答が必要になる場合は、カットオフはより低い減衰値(-1dBなど)で定義されることもあります。カットオフ周波数の振幅が大きいほど、アンチエイリアシングフィルタの周波数応答の減衰傾度(ロールオフ)の重要性が増します。
データ収集システムの帯域幅を決めたら、サンプリングレートを設定できます。理論上の最小サンプリング周波数は、データ収集システムの帯域幅の2倍です。しかし、この理論上の限界は実際には適切なサンプリング周波数ではありません。というのは、実現可能なアンチエイリアシングフィルタは、カットオフ周波数より上の信号を、完璧に理論的なフィルタのようには急速に減衰させることができないからです。
このため、サンプリングレートはどうしても高くなります。ここでサンプリング周波数が高いほど必要なメモリ容量が増えるというトレードオフが生じます。メモリが高価な時代には、これによりサンプリングレートを可能な限りナイキストに近づける必要があり、通常は入力帯域幅の2.5~4倍ほどでした。メモリの低価格化によりこの要件が緩み、より高いサンプリングレートも可能になりました。帯域幅の5倍または10倍でも珍しくありません。
100kHzのデータ収集帯域幅を必要とする超音波センサの設計について検討してみます。サンプリングレートは500kHz~1MHzです。ここでA/Dコンバータ(ADC)を選択できます。本記事の例では、サンプリングレートが1MS/sの12ビット逐次近似コンバータ、たとえばAnalog DevicesのLTC2365ITS8#TRMPBなどを選択できます。
このコンバータの分解能は12ビットで、理論上のダイナミックレンジは72dBです。このADCは動的性能に優れており、サンプリング周波数1MS/sで、SINAD(信号対ノイズ比と歪み)の仕様は-72dB、SNRは-73dBです(図2)。

図2:Analog Devicesの12ビット逐次近似ADC、LTC2365ITS8#TRMPBのブロック図とSINAD性能。(画像提供:Analog Devices)
サンプリングレート1MS/sの動作では、ナイキスト周波数は500kHzです。100kHzローパスフィルタの出力には、ナイキストを上回る信号コンポーネントをADCノイズフロアまで下げるためのストップバンド減衰が必要になり、ここでは500kHzを超える周波数で-73dBを上回ります。
フィルタタイプの選択
ローパスフィルタのタイプや構成には、多くの選択肢があります。最も一般的に使用されるのは、バターワース、チェビシェフ、ベッセルの各フィルタタイプです。これらのフィルタで異なるのは周波数応答ですが、これがアプリケーションに応じてフィルタを選択する際の主な決め手になります(図3)。

図3:バターワース(灰色)、チェビシェフ(青)、ベッセル(オレンジ)フィルタの周波数応答の比較。フィルタのタイプにより、パスバンドの平坦性、位相遅延、トランジション領域のスロープが異なります。(画像提供:Digi-Key Electronics)
ここに示されている3種類のフィルタ応答には固有の特性があります。たとえば、バターワースフィルタの振幅応答の平坦性は最大です。つまりこのフィルタでは、パスバンドの周波数で最もフラットなゲイン応答となり、トランジション領域ではゆるやかな減衰傾度(ロールオフ)になります。
ベッセルフィルタでは、一定の群遅延に対して均一な時間遅延になります。つまり、直線位相応答の周波数となり、パルス入力に対して優れた過渡応答を示します。この優れた位相応答は、パスバンドにおける平坦性とパスバンドを過ぎた時点でのゆるやかな初期ロールオフ減衰を犠牲にして得られるものです。
チェビシェフフィルタは、トランジション領域で急峻なロールオフを示すように設計されますが、パスバンドでのリップルがより多くなります。このフィルタタイプを採用すると、一般的に特定の最大リップルに基づいて設計することになります。たとえばカットオフ周波数の振幅制限が-1dBの場合、リップル仕様は、通常、最大1dBに設定されます。
時間領域におけるパルスに対するこれらのフィルタの応答は、適切なフィルタタイプ選択について理解するために役立ちます(図4)。

図4:入力パルスに対するフィルタ応答(左上)は、チェビシェフ(右上)、バターワース(左下)、およびベッセル(右下)の各フィルタタイプの時間領域パルス応答における違いを示します。(画像提供:Digi-Key Electronics)
ベッセルフィルタで周波数に見られる直線位相応答は、最小の歪みでパルスを通過しますが、振幅はバターワースフィルタのように平坦でなく、カットオフはチェビシェフフィルタのように急激ではありません。フィルタのタイプは、アプリケーションによって選択肢が異なります。
・振幅の精度が最も重要な場合は、バターワースフィルタ
・必要なサンプリングレートが信号帯域幅に近い場合は、チェビシェフフィルタ
・パルスの忠実度が重視される場合は、ベッセルフィルタ
・必要なサンプリングレートが信号帯域幅に近い場合は、チェビシェフフィルタ
・パルスの忠実度が重視される場合は、ベッセルフィルタ
フィルタ次数
フィルタ次数は、フィルタ設計の複雑さを表します。コンデンサなどのリアクタンス素子がその設計にいくつあるかに関連します。また、フィルタの伝達関数の極数も表します。
フィルタの次数は、トランジション領域の減衰傾度(ロールオフ)の急峻性、つまりトランジション領域の幅に影響します。1次フィルタのロールオフは、6dB/octave、または20dB/decadeになります。n次フィルタのロールオフレートは、6×n dB/octaveまたは20×n dB/decadeになります。これにより、8次フィルタのロールオフレートは48dB/octaveまたは160dB/decadeになります。
前述の超音波センサの設計の例では、100kHzを超えるすべての信号は、500kHzのナイキスト周波数によって少なくとも-73dB減衰させる必要があります。8次フィルタは、500kHzで信号を約-98dB減衰させます(図5)。6次フィルタは、帯域外信号を500kHzで約-83dB減衰させます。
つまり、本記事の例では6次フィルタで十分ですが、8次フィルタでは帯域外信号の振幅がさらに低くなります。同じコストであれば、8次フィルタを選択すべきでしょう。このトレードオフについては、後述のコンポーネントの説明で詳しく取り上げます。

図5:4次(青)、6次(オレンジ)、8次(灰色)のフィルタ応答のロールオフの比較。(画像提供:Digi-Key Electronics)
フィルタの次数は、複数のフィルタセクションをカスケード接続することで増やすことができます。たとえば、2つの2次ローパスフィルタをカスケード接続すると1つの4次ローパスフィルタとなり、以下同様に増やすことができます。ただし、複数のアクティブフィルタのカスケード接続には、消費電力、コスト、サイズが増加するというトレードオフがあります。
6次と8次フィルタのどちらを選ぶかは、選択するフィルタ部品の構成しやすさにもよります。クワッド2次フィルタとして構成されたフィルタICは6次フィルタを実装できますが、デュアル4次フィルタとして構成されたフィルタICは8次フィルタを実装しなければならなくなります。
フィルタコンポーネント
音響周波数や超音波周波数のアンチエイリアシングフィルタは、アクティブまたはスイッチドコンデンサフィルタを使用して実装できます。基本的に、どちらのフィルタタイプを使用しても結果は非常に類似したものになります。
分解能が16ビット以上の超高分解能A/Dコンバータ(ADC)を使用する場合は、ノイズ発生の可能性が低いためアクティブフィルタが推奨されます。クロック信号が必要なスイッチドコンデンサフィルタの場合、クロック信号からのクロストークによりノイズ発生の可能性が高まります。
Analog DevicesのLTC1563ファミリが提供する4極または4次のアクティブフィルタは、1つの抵抗を使用してカットオフ周波数を制御します。このデバイスファミリには、バターワースとベッセルの両タイプのフィルタ構成が含まれています。
LTC1563-2は4極バターワース構成のフィルタ部品で、最大カットオフ周波数は256kHzです。このフィルタICをカスケード接続することで、8次ローパス応答を得ることができます(図6)。

図6:Analog DevicesのLTC1563-2デバイス2個を使用する、8次、20kHzバターワースフィルタ実装。(画像提供:Analog Devices)
アプリケーションで可変カットオフ周波数が必要な場合は、Analog DevicesのLTC1564IG#TRPBFが最適です。この8次ローパスフィルタの帯域幅は4ビットの制御バスを使用してデジタル制御され、カットオフ周波数は10kHz~150kHzの範囲で10kHzきざみの可変式となります。
ゲインもデジタル方式によるプログラムが可能です。このフィルタはダイナミックレンジが122dBで、16~20ビットの分解能を持つデータ収集システム向けです(図7)。

図7:2個のICのみを使用する、16ビット、500kS/sデータ収集システム。LTC1564IG#TRPBFは、150kHzまでの可変帯域幅と最大24dBのゲインを実現。(画像提供:Analog Devices)
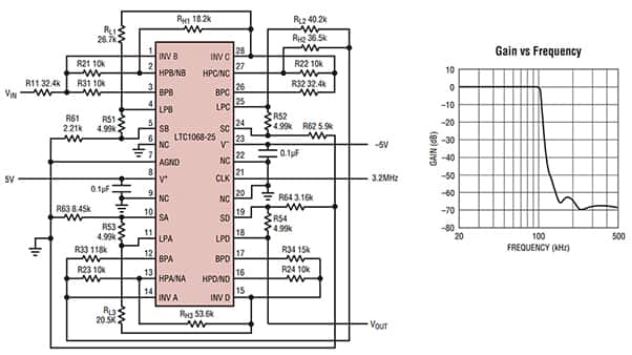
可変カットオフ周波数の設計は、スイッチドコンデンサフィルタを使用しても実装できます。Analog DevicesのLTC1068-25IG#PBFは、最大カットオフ周波数が200kHzのユニバーサルスイッチドコンデンサ8次ローパスフィルタです。このICには4つの2次フィルタ構成ブロックが含まれており、カスケード接続して8次ローパスフィルタを構成できます(図8)。

免責条項:このウェブサイト上で、さまざまな著者および/またはフォーラム参加者によって表明された意見、信念や視点は、Digi-Key Electronicsの意見、信念および視点またはDigi-Key Electronicsの公式な方針を必ずしも反映するものではありません。図8:LTC1068-25IG#PBFスイッチドコンデンサフィルタを使用した8次ローパスフィルタ。カットオフ周波数はスイッチングクロックを使用して設定され、スイッチングクロック周波数を32で割った値に等しくなります。(画像提供:Analog Devices)
ユニバーサルアクティブフィルタICは、アンチエイリアシングにも使用できます。フィルタ特性を設定するには、より多くの部品が必要になります。
Analog DevicesのLTC1562-2は低ノイズ/低歪みのクワッド2次フィルタで、ローパス、ハイパス、またはバンドパス応答を備えたバターワース、チェビシェフ、楕円、または等リップルタイプの遅延応答フィルタとして構成できます。
カットオフ周波数は20~300kHzで、抵抗値プログラミングを使用します。3つの抵抗器が中心周波数、ゲイン、Qをプログラムします。2次クワッドフィルタによるこのフィルタ設計は、2次、4次、6次、8次フィルタを生成するように構成できます。
結論
アンチエイリアシングローパスフィルタは、データ収集システムに必要で、サンプリング対象のすべての信号を正確に再構築できます。要求されるフィルタ特性は、フィルタと組み合わせるADCの帯域幅、振幅分解能、サンプリングレートによって決まります。
本記事で述べたように、ローパスフィルタを実装するには、アクティブデバイス、デジタル制御可能デバイス、スイッチドコンデンサデバイスなど、設計オプションが複数あります。
このページのコンテンツはDigi-Key社より提供されています。
英文でのオリジナルのコンテンツはDigi-Keyサイトでご確認いただけます。
Digi-Key社の全製品は 1個からマルツオンラインで購入できます

ODM、OEM、EMSで定期購入や量産をご検討のお客様へ【価格交渉OK】
毎月一定額をご購入予定のお客様や量産部品としてご検討されているお客様には、マルツ特別価格にてDigi-Key社製品を供給いたします。
条件に応じて、マルツオンライン表示価格よりもお安い価格をご提示できる場合がございます。
是非一度、マルツエレックにお見積もりをご用命ください。





