マルツTOP > APPLICATION LAB TOPページ > おすすめ技術記事アーカイブス > 完全ワイヤレスフィットネスヒアラブルの構築(第3部):ワイヤレス電源管理
完全ワイヤレスフィットネスヒアラブルの構築(第3部):ワイヤレス電源管理
著者 Stephen Evanczuk 氏
Digi-Keyの北米担当編集者 提供
2020-01-23
マルツ掲載日:2020-04-27
編集部より:フィットネスヒアラブルには大きな可能性がありますが、生体計測、オーディオ処理、ワイヤレス充電の3つの主要分野に設計上の重大な課題があります。3部構成のこの記事では、これらの各課題を1つずつ説明し、超低電力デバイスを利用してフィットネスヒアラブルをより効果的に作成する方法を紹介します。第1部では、心拍数とSpO2の生体計測を取り上げました。第2部では、オーディオ処理について説明しました。この第3部では、フィットネスヒアラブル設計のための電源管理とワイヤレス充電のソリューションについて解説します。
電源の最適化は、ほとんどのアプリケーションセグメントで基本要件になっていますが、フィットネスヒアラブルでは、従来の「ワイヤレス」イヤホンの場合よりもはるかに複雑な特有の課題が発生します。
従来のワイヤレスイヤホンは、オーディオストリーミングのためにBluetooth接続を使用していますが、通常はインラインパッケージのボリュームコントロールや電源コネクタと一緒にカプセル封止されたバッテリに有線接続されています。一方、完全なワイヤレス設計ではすべての有線接続が排除されるため、製品設計者は、各イヤホンに充電式バッテリを組み込む必要があります。
そのため、システムエンジニアは、厳しいパッケージング要件に準拠すると同時に、ユーザーのためにバッテリの長寿命化とバッテリ再充電プロセスの簡素化の両方を実現できる設計ソリューションを見つける必要があります。
この記事では、バッテリ寿命を伸ばして、バッテリの再充電を簡単にすることに加えて、これらの設計の基礎となるバイオセンシング、オーディオ、プロセッサデバイスに必要な複数の供給レールを提供するための効率的なアプローチについて説明します。
次に、ワイヤレス充電の仕組みを概説した後、開発者が使用できる標準ベースのワイヤレス電源ソリューションを紹介します。これらのソリューションを使用すると、サードパーティ製の急速に拡大している互換性のある充電プラットフォームベースを活用して高度な完全ワイヤレス製品を迅速に実装できます。さらに、Maxim Integrated、Analog Devices、STMicroelectronics、Texas Instrumentsなどのベンダーのソリューションを紹介します。
フィットネスヒアラブルの電源を管理する方法
このシリーズの最初の2つの記事で説明したように、エンジニアは超低電力のシステムオンチップ(SoC)バイオセンサ、オーディオ、Bluetoothデバイスを使用して、消費電力を最小限にし、バッテリ寿命を伸ばすことができます(図1)。


図1:完全ワイヤレスフィットネスヒアラブルの設計では、高度に統合された電源管理集積回路(PMIC)と残量ゲージICにより、バッテリや電源管理用の基盤が提供されるため、バッテリの充電に必要になるのはワイヤレス電源のみです。(画像提供:Digi-Key Electronics。Maxim Integrated提供の原資料に基づく)
幅広い機能性に加えて、これらのSoCでは低電力動作モード、クロックや電圧ゲーティング機能、内部電圧レギュレータをさまざまな方法で使用する独自の電源管理機能が統合されており、単一の電源から異なる電源ドメインが提供されます。
これらの機能は、消費電力が最適化された設計の実装を簡素化することに役立ちますが、多くの場合、各デバイスに適したいくつかの電源レールの要件が発生します。たとえば、このシリーズの前の記事で説明したSoC(Maxim IntegratedのMAXM86161バイオセンサやMAX98090オーディオコーデック、ON Semiconductorの RSL10 Bluetoothマイクロコントローラ)には、さまざまな電源要件があります(表1)。


表1:フィットネスヒアラブルの設計におけるプライマリSoCの電圧供給範囲。(表提供:Digi-Key Electronics。Maxim IntegratedおよびON Semiconductor提供の原資料に基づく)
ヒアラブルなどのスペースに制約のある低電力アプリケーション専用に設計されたMAX77654は、6mAの低動作電流と0.3μAのシャットダウン電流を備えた2.79mm×2.34mmのパッケージに、3つのバックブーストスイッチングレギュレータ出力と2つの低ドロップアウト(LDO)レギュレータを提供します。
開発者は、MAX77654の3つのバックブーストレギュレータを50mV刻みで個別にプログラムして、0.8~5.5Vの安定化出力を提供することができます。同様に、2つのLDOレギュレータ出力を25mV刻みでプログラムして、0.8~3.975Vの出力範囲を提供できます。
このデバイスは、単一インダクタマルチ出力(SIMO)バックブーストレギュレータに基づいており、数点の追加コンポーネントを適用するだけで完全な電源管理ソリューションを提供できるため、部品表(BOM)と設計フットプリントを減らすことに役立ちます(図2)。


図2:Maxim IntegratedのMAX77654 PMICでは、複数のプログラム可能な電圧レールを提供できるほか、デバイスのSIMOテクノロジを活用することで、単一インダクタのみが必要となる2つのLDOと3つのバックブーストレギュレータによって開発が簡素化されます。(画像提供:Maxim Integrated)
完全なシステム内でMAX77654のオフ/オンコントローラと電源シーケンサは、アプリケーションに要求される特定のシーケンスに応じて電源レールをオン(またはシャットダウン)するために必要な、内部電力状態の遷移とタイミングを管理します。
たとえば、フィットネスヒアラブルの設計では、個々のSoCとサブシステムに電力を順番に適用するようにデバイスをプログラムして、ピーク電流需要を抑制したり、オーディオアーティファクトを回避したりできます。
バッテリ管理
MAX77654では、そのシステム電源管理機能に加えて、USBなどの幅広い電源から95mA~475mAのプログラム可能な定電流充電率を提供する完全なリチウムイオンバッテリチャージャを搭載しています。
Maximのスマートパワーセレクタテクノロジは、必要に応じて入力電源(CHGIN)からバッテリ(BATT)とシステム(SYS)の電源を自動的に切り替えます。充電が完了すると、スマートパワーセレクタは、バッテリを入力電源から自動的に切断します。
MAX77654は、開発者がデバイス動作のすべての側面を監視や制御できるようにする幅広いステータスレジスタを提供します。開発者は、割り込み制御レジスタを設定することにより、システムの過電圧や不足電圧、温度、充電エラー、バッテリ障害などのさまざまな動作状態や障害をホストプロセッサに警告するようにデバイスをプログラムできます。
ただし、コンシューマ製品の場合は、通常、PMICとMaxim IntegratedのMAX17260などのバッテリ残量ゲージICを組み合わせます。消費電力がわずか5.1mAのMAX17260は、MaximのModelGauge m5バッテリ寿命予測アルゴリズムを使用して、動作中の残存バッテリ寿命と充電中の充電完了時間の動的推定値を提供します。
開発者は、動作中に充電の残存状態が指定した閾値を下回ったときにホストプロセッサへの割り込みを生成するようにデバイスをプログラムできます。また、フィットネスヒアラブルでは、この機能を使用して、バイオセンサからの心拍数の更新回数やオーディオ帯域幅を削減して、最終的に電力が維持可能な限度を下回る前にユーザーに警告するといった戦略を通して、アプリケーション機能を正しく低下させることができます。
ワイヤレス充電
MAX77654 PMICとMAX17260残量ゲージICを組み合わせることにより、バッテリ管理の効果的なソリューションが実現します。完全ワイヤレスフィットネスヒアラブルの作成における残りの大きな課題は、適切な充電源を提供することです。
当然ですが、そのような充電源は、ライン電源アダプタやUSBを使った従来の有線アプローチを活用することができません。そのため、ワイヤレス電源テクノロジと関連シリコンソリューションを利用して、すぐに使用できるソリューションを実現します。
実用的なワイヤレス電源方式では、プライマリワイヤコイルとセカンダリワイヤコイル間で密結合した誘導または同じ共振周波数で動作するコイルのペア間で緩やかに結合した共振誘導を利用します(「誘導方式ワイヤレス充電と共振方式ワイヤレス充電」を参照してください)。
電子歯ブラシなどの消費者製品や補聴器などの医療製品の再充電に長年にわたって幅広く使用されている誘導ワイヤレス電源は、成熟したレベルに到達しており、デバイスのサポートにより、最も高度なエレクトロニクス製品の場合でも安全な電源として選択されるようになっています。
そのため原則として、開発者はAnalog DevicesのLTC6990電圧制御発振器(VCO)が駆動するトランスミッタコイルに誘導結合されたコイルから電力を受電するAnalog DevicesのLTC4124ワイヤレスリチウムイオン充電器などのワイヤレス充電器をそのまま実装できます。
完全なワイヤレス電源設計では、LTC4124レシーバとLTC6990 VCOのほかに、MOSFET、数点の受動部品、Würth Elektronikの760308101216 7.2µHレシーバ(RX)コイルやWürth Elektronikの760308103206 7.5µHトランスミッタ(TX)コイルなどのコイルのペアだけが必要です(図3)。


図3:開発者はAnalog DevicesのLTC4124ワイヤレスパワーレシーバとAnalog DevicesのLTC6990電圧制御発振器を使用して、完全な専用ワイヤレス電源と数個の追加コンポーネントを実装できます。(画像提供:Analog Devices)
ユーザーは、Wireless Power Consortium(WPC)のQi仕様に基づいた標準のワイヤレス電源製品を使用するようになっているため、前述のワイヤレス電源ソリューションは設計がシンプルですが、消費者製品向けには適さなくなっています(「Qi規格に準拠したワイヤレス充電システムをすばやく実装する方法」を参照してください)。
専用ワイヤレス製品や関連する充電ベース向けに設計されている前述の設計など、そのようなシンプルな設計には、レシーバとトランスミッタ間の通信、異物検出(FOD)、WPCのQi仕様に記載されているその他の要件などの重要な機能が欠如しています。
Qi互換のワイヤレス電源では、より高度なワイヤレス充電プロセスが使用できることに加えて、それらのワイヤレス電源の普及が加速しているため、低コストのワイヤレスパワートランスミッタプラットフォームがますます増加しています。
その結果、ワイヤレス電源を必要とするフィットネスヒアラブルなどの消費者製品を開発する場合、潜在的なユーザーはすぐに入手可能な既存のワイヤレス充電パッドを持っている(およびその使用を好む)という期待に基づいて、互換性のあるワイヤレスパワーレシーバの設計に主に焦点を合わせることができます。
実際的な制限
しかし、一般に利用可能なワイヤレス充電製品を使用する場合、設計観点の根本的な転換が必要です。大まかに言うと、効率的なカップリングとパワー転送には、セカンダリコイルからプライマリコイルへの誘導率が通常は1桁である、同じようなサイズの釣り合いの取れたトランスミッタコイルとレシーバコイルが必要です。
そのため、フィットネスヒアラブルに適合する必要がある直径が非常に小さなコイルを使用する場合、急速充電を求めるユーザーの期待に応えることができるワイヤレス電源システムの設計が複雑になります。さらに、コイル間のアライメントと位置決めに関する非常に厳格な許容誤差のために、カスタムケースやその他の取り付け器具を使用してイヤホンコイルを充電コイルの近くに確実に配置する製品設計が必要になります。
これらの複数の課題のため、完全なワイヤレスイヤホン製品では、通常、Qi互換のワイヤレスレシーバをイヤホンケースに組み込むという実際的なアプローチが取られます。イヤホンをケースに挿入すると、各イヤホンに組み込まれたピンがケースの下面に組み込まれた電源端子に接触します。
次に、ケースをサードパーティ製の互換性のあるワイヤレス充電パッドに配置すると、電力がパッドからケースレシーバにワイヤレスに流れ、そこから電源端子の接点を通じてイヤホンに到達します。このアプローチを使用すると、フィットネスヒアラブル用のワイヤレス充電の実装が、Qi互換の一連の広範なワイヤレスパワーレシーバによってサポートされ、その課題がより簡単になります。
ワイヤレスレシーバのソリューション
幸い、開発者は、WPC Qi規格をサポートするために特化して設計されたさまざまなワイヤレスパワーレシーバを見つけることができます。実際、利用可能なデバイスは、標準のワイヤレスパワー転送をサポートするための最小限の要件をはるかに超える性能を備えており、全体的なシステム設計を簡素化するために設計された機能を提供します。
たとえば、このクラスの多くのデバイスと同じように、STMicroelectronicsのSTWLC03ワイヤレスパワーレシーバは、ユーザーが外部電源アダプタまたはUSB接続を介して充電ケースに給電できるようにする設計に対して、ワイヤレス充電を無効にするというシンプルなアプローチをサポートしています(図4)。


図4:このクラスの多くのデバイスと同じように、STMicroelectronicsのSTWLC03ワイヤレスパワーレシーバは、外部電源が検出されたときに、ワイヤレスパワー転送を無効にするシンプルなオプションを提供します。(画像提供:STMicroelectronics)
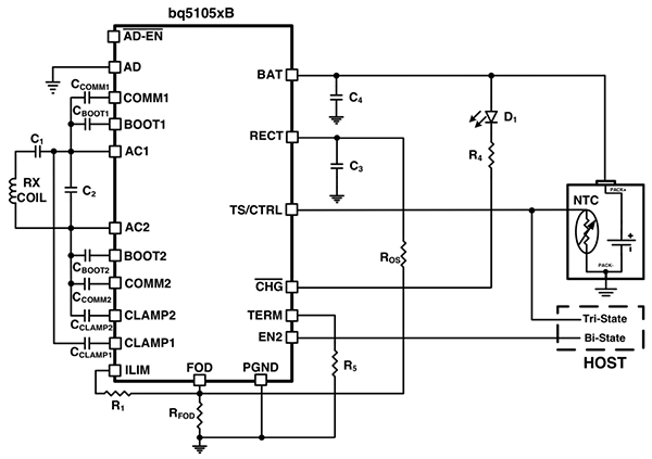
また、多くのQi互換のワイヤレスパワーレシーバではバッテリ充電機能が統合されているため、開発者は、ワイヤレス充電が利用できないか、使いにくいときに、バックアップ電源のためにバッテリをケースに追加できます。たとえば、Texas InstrumentsのBQ51050Bは、事前充電、高速充電定電流、定電圧を含む3ステップの充電シーケンスをサポートしており、バッテリパックに簡単に接続できます(図5)。


図5:Texas InstrumentsのBQ51050Bワイヤレスパワーレシーバでは、開発に最小限の手間を加えるだけで、バッテリパック充電をサポートできます。(画像提供:Texas Instruments)
外部電源やバッテリ充電のサポートに加えて、Qi互換のワイヤレスパワーレシーバは、スマートフォンなどの1つのモバイル製品を使用して別の製品をワイヤレスに充電する、新たに出現しているピアツーピアのワイヤレス充電シナリオにも対応できます。たとえば、Maxim IntegratedのMAX77950では、既存のワイヤレス電源使用のサポートと、開発に必要な追加の手間が最小限で済むピアツーピア充電のサポートが組み合わされています(図6)。


図6:従来型のワイヤレス充電構成のサポートに加えて、Maxim IntegratedのMAX77950ワイヤレスパワーレシーバは、ピアツーピアのワイヤレスパワー転送をサポートします。(画像提供:Maxim Integrated)
ワイヤレス電源開発のサポート
ワイヤレス電源機能と関連デバイスが継続的に進化していますが、開発者は開発ボード、設計ガイド、アプリケーションノートなど、すぐに使用できる開発サポートリソースを見つけることができます。たとえば、この記事で紹介した各ワイヤレス電源デバイスについては、関連する開発キットが入手可能です。
Analog Devicesは、LTC4124ワイヤレスパワーレシーバのために、受け取る充電電流のレベルが高いワイヤレスパワー転送を備えたトランスミッタボードとレシーバボードを提供する一連のキットを用意しています。
Analog DevicesのDC2769A-A-KITとDC2769A-B-KITキットは、それぞれ10mAと25mAの充電電流を提供します。このトランスミッタボードは、主に前述したLTC4124の設計(図3を参照)に基づいており、Analog DevicesのLTC6990 VCOを使用しています。また、レシーバボードはAnalog DevicesのLTC4124ワイヤレスレシーバを使用しています。
Analog DevicesのDC2770A-A-KITとDC2770A-B-KITは、より高い充電器電流を提供するために、LTC4124ベースのレシーバボードに、それぞれ50mAと100mAの充電電流を備えていますが、各キットのトランスミッタボードは、Analog DevicesのLTC4125ワイヤレスパワートランスミッタに基づいています。
STMicroelectronicsは同社のデバイスのために、STWLC03ワイヤレスパワーレシーバ用のSTEVAL-ISB036V1評価ボードを用意しています。Texas Instrumentsは、BQ51050Bワイヤレスパワーレシーバの開発をサポートするためのBQ51050BEVM評価ボードを用意しています。
Maxim Integratedは、MAX77950ワイヤレスパワーレシーバ用のMAX77950EVKIT評価キットを提供しています。各メーカーは、評価キットのハードウェアに加えて、カスタム設計を構築する開発者向けに、通常は部品表(BOM)、回路図、物理的な設計レイアウトのガイドなどが含まれる、設計リソースの完全なセットを提供しています。
Maxim Integratedは、MAX77950ワイヤレスパワーレシーバ用のMAX77950EVKIT評価キットを提供しています。各メーカーは、評価キットのハードウェアに加えて、カスタム設計を構築する開発者向けに、通常は部品表(BOM)、回路図、物理的な設計レイアウトのガイドなどが含まれる、設計リソースの完全なセットを提供しています。
また、ソフトウェアを開発する場合、通常、ドライバや評価ソフトウェアを即座にダウンロードしたり、リクエストを通じて入手したりできます。たとえば、Maxim IntegratedのMAX77950評価キットソフトウェアパッケージを使用すると、Windows10コンピュータからMAX77950EVKITへのUSB接続を介して、MAX77950のレジスタと構成を監視や変更することができます。この場合、統合マイクロコントローラが共有I2Cバスを通じてMAX77950を更新します(図7)。


図7:Maxim IntegratedのMAX77950評価キットソフトウェアパッケージと関連ドキュメントは、さまざまなMAX77950デバイスの設定を閲覧して、ワイヤレス電源の性能に対する異なるデバイス設定の効果を調べるのに役立ちます。(画像提供:Maxim Integrated)
まとめ
完全ワイヤレスフィットネスヒアラブルの設計では、より効率的なシステムを実装するという課題に直面するほか、高度なワイヤレス充電テクノロジの使用が推奨されます。この記事で説明したように、高度に統合されたPMICと残量ゲージICにより、電源やバッテリ管理向けの効果的なソリューションが実現します。
ワイヤレス電源の場合、標準ベースのワイヤレス電源デバイスを利用すると、フィットネスヒアラブル製品にワイヤレス充電機能を実装する複数のオプションが提供されます。これらの標準ソリューションを使用すると、サードパーティ製の急速に拡大している互換性のあるワイヤレス充電プラットフォームベースを活用して高度な完全ワイヤレス製品を迅速に実装できます。
免責条項:このウェブサイト上で、さまざまな著者および/またはフォーラム参加者によって表明された意見、信念や視点は、Digi-Key Electronicsの意見、信念および視点またはDigi-Key Electronicsの公式な方針を必ずしも反映するものではありません。
免責条項:このウェブサイト上で、さまざまな著者および/またはフォーラム参加者によって表明された意見、信念や視点は、Digi-Key Electronicsの意見、信念および視点またはDigi-Key Electronicsの公式な方針を必ずしも反映するものではありません。
このページのコンテンツはDigi-Key社より提供されています。
英文でのオリジナルのコンテンツはDigi-Keyサイトでご確認いただけます。
Digi-Key社の全製品は 1個からマルツオンラインで購入できます

ODM、OEM、EMSで定期購入や量産をご検討のお客様へ【価格交渉OK】
毎月一定額をご購入予定のお客様や量産部品としてご検討されているお客様には、マルツ特別価格にてDigi-Key社製品を供給いたします。
条件に応じて、マルツオンライン表示価格よりもお安い価格をご提示できる場合がございます。
是非一度、マルツエレックにお見積もりをご用命ください。





