パーソナルおよびワイドエリアネットワークを介したIoTアプリケーションへの接続性の追加
著者 ヨーロッパ人編集者
Digi-Keyのヨーロッパ人編集者 の提供
2017-08-31
マルツ掲載日:2018-10-23
RF技術なしでIoTを考えることは不可能です。19世紀後半以降、謙虚な始まりから世界的に力を与える技術に至るまで、電磁エネルギーの変調、送信および受信に採用された技術やテクニックは著しく進化しました。 IoTはその話の最新章です。
RF技術の使用に関連する法律にも大きな変化が見られますが、今日では数多くのライセンスフリーのソリューションが現代生活のあらゆる場面に影響を与えています。ある規制に従い、誰もがすぐに入手できるデバイスを使って無線「ネットワーク」を運用できます。このことは、産業や商取引を大きく変化させています。
原理は同じままでありながら、変調手法は劇的に変わりました。これは何といってもデジタル信号処理の開発のおかげです。IoTを対象とするワイヤレスソリューションの需要は、パーソナルおよびワイドエリアネットワーク技術における革新の原動力となっています。ワイヤレス技術の使用には、地域規制への準拠、セキュリティ脅威の監視と対応、ネットワーク内での互換性の保証に関する独自の要求があります。プロトコルおよびそのシリコンレベルでの実装では、これらの問題に対処するためにあらゆる手段が講じられます。
Bluetooth 5の台頭
パーソナルエリアネットワーク(PAN)の点では、Bluetoothほど多用される単一技術はなく、Bluetooth 5の登場によりその魅力は増加しています。仕様の最新バージョンは大幅なアップグレードとなっています。デバイス間のダイレクト接続を可能にするトポロジであるメッシュネットワークのサポートが含まれ、中央のハブが不要になります。これにより、Bluetooth PANのサイズとデバイス数は実質的に無制限となり、IoTでは明らかなメリットがあります。
その他の改善点として、範囲、ペイロードのサイズ、消費電力が挙げられます。これらはすべてBluetoothの応用範囲を拡張し、その結果利用可能なデバイスの数が増えます。Bluetooth 5をサポートする最初の統合型デバイスの1つは、Dialog SemiconductorのDA14586です。この高度に統合されたSoCは、3つのプロセッサを装備しています。アプリケーションコード向けのARM® Cortex®-M0コア、リンクレイヤ向けの専用プロセッサ、AES 128ビット暗号プロセッサです。さらに、単一ワイヤアンテナをサポートする2.4GHz無線トランシーバも統合しています。
DA14586のようなデバイスは、小型かつ高度な統合、低消費電力により、ウェアブルデバイスに最適です。このような用途では、アンテナはPCB上に実装されることが多く、BOMとシステムの総フットプリントがさらに削減されます。一般に、これは理想的な使用事例ですが、RF設計と同様に注意が必要です。
たとえば、デバイスには、可能な限り多くのバイアを使用して接続された適切ですき間のない接地面と、高周波数で動作するコンポーネント間のクロスカップリングを最小限にする全体的に小さなフットプリントが必要です。これは、最も一般的なアンテナ形式である逆Fアンテナ(IFA)の実装に役立つ多層PCBを使用することで、極めて簡単に実現できます。Bluetoothリンクに適用すると、折り返しIFAが利用可能になります。これにより、フルサイズのIFAに比べて、必要なPCBエリアが半分に減りますが、許容できる帯域幅は確保できます。DG14586の多層PCBの最上層に実装したフルサイズのプリントIFAとサイズを減らしたIFSをそれぞれ図1aと図1bに示します。

図1a:1mmの基板上にプリントされたフルサイズのIFA。

図1b:1mmの基板上にプリントされた小型のIFA。
整合ネットワークは、使用される基板とPCB全体の厚さによって異なることに注意してください。当然ながら、アンテナもあらゆる干渉を避けるよう十分な間隔を空ける必要があります。一般に、アンテナの周りで水平方向と垂直方向に5mm以上の間隔を維持し、ケースにはメタルを使用しないことをお勧めします。
DA14586を使用すると、単層PCB上にアンテナを実装することもできますが、すき間のない接地面がない場合は、通常、IFA設計の代わりにプリントダイポールが使用されます。ただし、これにはバランが必要なため、追加のコストがかかる可能性があります。
マルチプロトコルソリューション
Bluetoothは多用されますが、IoTで使用されるワイヤレスプロトコルは他にもあります。単一のプロトコルですべての用途の要件を満たすことはまずありません。そのため、しばらくの間2.4GHz ISM帯域で共存する必要が続くでしょう。
これを知った上で、一部のメーカーは、同一デバイスで複数のワイヤレスプロトコルを実装できるデバイスを提供して、メーカーと消費者にできる限りの選択肢を提供しています。この典型的な例として、Silicon LabsのMighty GeckoマルチプロトコルワイヤレスSoCファミリがあります。
DSP拡張を備えた高性能ARM Cortex-M4を搭載するEFR32MG12は、ZigBee、Thread、Bluetooth 5、専用プロトコルをサポートします。また、低エネルギーセンサインターフェース(LESENSE)とマルチチャンネル容量感知インターフェース(CSEN)などのIoTアプリケーション向けにSilicon Labsの周辺機器のホストも統合します。図2に、完全に統合された柔軟な無線トランシーバを示します。これにはオンチップバランが含まれています。RFSENSEブロックにより、デバイスはRF信号の受信で起動し、(MCUを起動せずに)その信号を自律的に復調できるようになります。これは、バッテリや回収エネルギーから電源を供給されるアプリケーションの寿命を最大化する機能です。

図2:EFR32MG12の完全に統合されたRFトランシーバ。
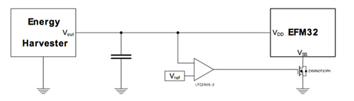
EFR32シリーズは、太陽光、熱、振動など、再利用可能なソースからエネルギーを取り入れるアプリケーションに最適です。さらに、産業アプリケーションの4~20mA電流ループより取り入れたエネルギーでEFR32を動作させることもできます。図3は、EFR32の低消費電力動作により、デバイスが回収エネルギーでどう動作するかを表しています。

図3:低消費電力モードは回収エネルギーだけで動作するIoTアプリケーションに役立ちます。
環境発電アプリケーションでは効率的な管理が重要です。これには、すぐには使用されないエネルギーの貯蔵が含まれます。電解またはスーパーキャパシタなどのエネルギーバンクや小型の充電式電池を実装できます。起動時に電流サージが生じるため、エネルギーバンクが十分に充電されるまでSoCを起動させないようにする方法を含めなければならない場合もあります。図4は、そのような電圧制御型電源スイッチを実装する方法の概念図です。起動時に電圧レベルがブラウンアウトレベルを下回ったときMCUの電源が切断されないようにするために、ヒステリシスをスイッチの設計に組み込む必要があります。

図4:電圧制御型電源スイッチの実装。
EFM32シリーズのエネルギーモード4にはリセットが必要となる点も含め、環境発電設計では慎重に使用してください。Silicon Labsは、可能であればスリープモードEM1~EM3を使用することを推奨しています。
低消費電力WAN
ワイヤレス通信はPANに限定されないため、ワイヤレスWAN上にIoTアプリケーションを実装して、より長距離での通信を提供することができます。現在、多くの低消費電力ワイドエリアネットワーク技術が、LoRaWAN、Weightless、Sigfox、LTEなどの電池式アプリケーションを対象にしています。
範囲に関しては、最長1000kmの見通し線により、Sigfoxが特に優れています。これは、専用ネットワーク上で動作する超狭帯域無線技術と送信前に接続を確立する必要がないシンプルなプロトコルを使用して実現しています。
低消費電力WANは実装の点でPANとは異なりますが、接続は難しいことではありません。たとえば、MicrochipのATA8520DはSigfoxネットワーク用のシングルチップトランシーバです。応用例を図5に示します。

図5:ATA8520D Sigfoxトランシーバの使用例。
Sigfoxプロトコルを実行し統合型RFフロントエンドを動作するために必要なファームウェアはすべてデバイスのCPU上に組み込まれて実行されますが、送受信機能の制御は、ホストプロセッサによりSPIを介して開始されます。
デバイスは、ホストプロセッサにより「復帰される」までオフの状態になり、消費電力は通常25°Cで5nA未満になります。標準のアプリケーションでは、TX/RXサイクルはウェイクアップにより開始され、その後命令シーケンス(ステータスの取得、TXバッファの書き込み、フレームの送受信、ステータスの取得、RXバッファの読み込み)が続きます。読み込み命令の後で、シャットダウン命令もSPIを介して送信され、デバイスを省電力モードにします。
結論
IoTにワイヤレス技術を導入できますが、単一のソリューションに支配されるわけではありません。広範にわたる複数のワイヤレスプロトコルを実装可能なシングルチップデバイスの有用性は、細分化がIoTの拡張を妨げないことを示しています。
ワイヤレスコネクティビティの実装にかかるコストは、設計の複雑さと同様に減少しています。プロトコルスタックとRFフロントエンドを強力なMCUと一緒に低消費電力ソリューションに組み込んだ完全に統合されたSoCを開発することによって、将来より多くのデバイスが接続できるようになります。
とはいえ、あるアプリケーション向けに適切なワイヤレスプロトコルを選択することは難しくなるかもしれません。機能間の重複が増加するにつれて、どのプロトコルを選択するのかの基準が明らかでなくなります(おそらく重要でもなくなります)。マルチプロトコルデバイスを作る取り組みにより、この問題はマルチプロトコルデバイスが登場するとすぐに解決されるでしょう。
1つ明確なことがあります。PANとWANレベルでのワイヤレスコネクティビティは向上しており、それによって、より優れた柔軟性、制御、全体的な機能性があらゆる垂直セクタにもたらされます。
このページのコンテンツはDigi-Key社より提供されています。
英文でのオリジナルのコンテンツはDigi-Keyサイトでご確認いただけます。
Digi-Key社全製品 1個からマルツで購入できます
定期購入・量産をご検討のODM、OEM、EMSのお客様へ【価格交渉OK】
毎月一定額をご購入されるお客様、量産部品として検討されるお客様に向けては、マルツ特別価格にてDigi-Key社製品を供給します。
条件に応じてマルツオンライン表示価格よりもお安い価格をご提示できる場合がございます。
是非一度、マルツに見積もりをご用命くださいませ。






