高信頼性/高速スイッチング/低損失の半導体自動テスト装置にSSRを使用する方法
著者 Jens Wallmann 氏
DigiKeyのヨーロッパ担当編集者の提供
2024-01-18
マルツ掲載日:2024-06-17
集積回路(IC)は、ハードウェアの開発コストを削減し、電子機器の小型化を促進し、幅広い機能を提供するため、これまで以上に需要が高まっています。大量生産ロットの品質を確保するため、半導体メーカーは、高周波AC/DC電流を低、高信号レベルで最小限の損失で素早くスイッチングできる、信頼性が高くコンパクトな自動テスト装置(ATE)を必要としています。
光起電性MOSFETベースのソリッドステートリレー(SSR)は、ICテスタやATEアプリケーションに最適です。その小型サイズと摩耗のない特性は特に興味深いものがあります。
この記事では、ATE要件について簡単に説明します。次に、PanasonicのPhotoMOSシリーズSSRのさまざまなタイプの光起電性MOSFETリレーを紹介し、部品形状とスイッチング特性の違いを明らかにします。オン/オフスイッチングを加速し、PhotoMOS特有のリーク電流を低減するための設計上のヒントで、このトピックを締めくくります。
高い実装密度と短い信号経路
自動ICテスタは、密集した針状アダプタ(プローブカード)を使って被試験デバイス(DUT)に接触し、機能試験を行います。テストヘッド内のモジュールは、高速テストパルスの生成と分配、適切な電圧の供給、測定チャンネルの切り替えを行います。すべてのテストは、ライン損失、信号伝播時間、干渉、チャンネル間クロストークを最小限に抑えるため、限られたスペースで行わなければなりません。
このタスクのために、設計者はPanasonicのAQシリーズリレーのような小型スイッチング素子を使用することができます。たとえば、電圧制御CCタイプの AQY2C1R6PX PhotoMOS SSRは、3.51mm²(1.95×1.80mm)のTSONパッケージに入っています(図1)。容量性カップリングを使用して200Vの絶縁保護を提供し、電圧制御されているため、必要な制御電力はわずか1.2mWにすぎません。
図1:AQシリーズ小信号PhotoMOSリレーのハウジング寸法を示します(寸法単位:ミリメートル)。(画像提供:Panasonic、筆者修正)
電流制御RFタイプのAQY221R6TW PhotoMOSリレーは、実装面積は3.8mm²と小さいですが、VSSOPのハウジングはAQY2C1R6PXの3.6倍の高さがあります。必要な制御電力はわずか75mWで、光学カップリングを利用して200Vの保護絶縁を実現しています。CCタイプとRFタイプのリーク電流(ILeak)は10nAと非常に小さくなっています。
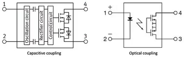
図2に容量結合のCC型リレー(左)と光学カップリングのRF型リレー(右)の回路原理を示します。
図2:CCタイプのPhotoMOS SSRであるAQY2C1R6PX(左)は容量結合で電圧駆動、RFタイプのAQY221R6TW(右)は光学カップリングで電流駆動です。(画像提供:Panasonic、筆者修正)
GEタイプAQV214EHAXも光学カップリングを採用し、制御回路(IN)と負荷回路(OUT)間の保護絶縁を最大5kVまで大幅に向上させています。8.8mm×6.4mmの大型6ピンSMDパッケージで、リードはガルウィングタイプです。わずか75mWの制御電力しか必要としないGEシリーズのSSRは、最大400Vで最大150mAの負荷電流を切り替えます。
接触抵抗と出力容量の最適化
半導体で一般的なように、SSRには「オン」抵抗(Ron)と出力容量(Cout)があり、それぞれ熱損失と漏れ電流の原因となります。異なるリレータイプは、切り替えられる信号の種類によって、どちらか一方に最適化されます。
Ronが特に低いSSRタイプは、高周波のACテストパルスをスイッチングする際の減衰が少なくなります。Coutが低いSSRはDC信号に対してより正確な測定を可能にし、Coutが高いタイプはより高い電力レベルのスイッチングに適しています。図3は、自動半導体テストシステムを示し、テストヘッドの測定モジュール内のさまざまな信号経路に最適なPhotoMOSリレータイプを示しています。
図3:この自動半導体テストシステムの各信号経路には、特定のPhotoMOSリレータイプが必要です。(画像提供:Panasonic)
AQY2C1R3PZとAQY221N2TY PhotoMOSリレーは、それぞれ1.2pFと1.1pFの低Coutを特長としています。これにより、最大10μsと20μs(AQY2C1R3PZ)、10μsと30μs(AQY221N2TY)でオンとオフを切り替えることができます。
両リレーのトレードオフは、それぞれ10.5Ωと9.5ΩのRonの増加であり、その結果、損失と部品発熱が大きくなります。このPhotoMOSリレーは、少ない電流で測定信号を素早く切り替えるのに適しており、高周波信号での反射や位相シフトの発生が少なくなっています。
先に説明したAQY2C1R6PXとAQY221R6TWは、よりスイッチング速度の遅い電源信号や、より大電流の電源電圧に適しています。Ronが低いため部品の発熱は少ないですが、Coutが大きいため信号の積分効果があります。
信号歪みの最小化
単純なオン/オフスイッチ(1フォームA)を表すだけの半導体リレーには、交流信号用のフォトトライアックや、脈動する直流信号用のバイポーラトランジスタを備えたオプトカプラの例があります。これらのデバイスは、閾値、イグニッション電圧、スイッチング遅延により、負荷信号に歪みを引き起こします。さらに、逆回復電流は高調波のオーバーシュート(リンギング)や数10~100mAのリーク電流を発生させる可能性があります。
PanasonicのPhotoMOSリレーは、FETハーフブリッジとドライバ回路により、これらの信号歪みを最小限に抑えているため、高速テストパルス、測定信号、電源電圧などのAC/DC小信号の低損失スイッチングに適しています。スイッチオフ時、2つのOUT接続間のリーク電流は1μA以下です。
PhotoMOSリレーは、フォームA(単極、単投、ノーマリオープン接点、SPST-NO)またはフォームB(ノーマリクローズ接点、SPST-NC)、およびマルチプルで入手可能です。設計者は、フォームAとフォームBのデバイスを組み合わせることにより、単極両投(SPDT)、単極切換スイッチ、2極両投(DPDT)などのフォームCスイッチを構築することができます。
たとえば、AQS225R2SはSOP16ハウジングの4重PhotoMOSリレー(4SPST-NO)で、最大80Vのスイッチング電圧で最大70mAを扱うことができます。また、AQW214SXはSOP8ハウジングの2重PhotoMOSリレー(2SPST-NO)で、最大400Vのスイッチング電圧で最大80mAの負荷電流を扱うことができます。
図4は、SSR、PhotoMOS、フォトカプラの内部構造と、それらの典型的な信号歪みを示しています。PhotoMOSリレーは、抵抗負荷で信号クリッピングや同様の歪みを引き起こしません。
図4:SSRとフォトカプラは、閾値電圧とイグニッション電圧により出力信号に歪みが生じます。(画像提供:Panasonic、筆者修正)
誘導性や容量性のスイッチング負荷のフィードバック効果を減衰させ、PhotoMOS出力段を保護するために、設計者は出力側にクランプダイオードとフリーホイールダイオード、RCフィルタとLCフィルタ、またはバリスタを追加する必要があります。
CCシリーズでは、クランプダイオードが入力発振器を過電圧ピークから保護し、制御信号を3Vから5.5Vに制限し、RCフィルタが±0.5V以下の残留リップルを保証します。
リーク電流の低減
PhotoMOSリレーのCoutはリレーが非通電のとき、より高い周波数の交流電流やパルスシーケンスのバイパスとして機能します。このようなリーク電流を大幅に削減し、高周波での絶縁を最大化するために、PanasonicではT回路(図5、左)の形で3つの別々のPhotoMOSリレーを使用することを推奨しています。主信号経路では、2つの1フォームAフォトMOSリレーS1とS2が低Ron型であり、低Cout型が1フォームA短絡スイッチS3を形成しています。
図5:S1とS2が非通電のとき、スイッチオンのリレーS3はすべての漏れ電流に対して短絡回路として機能します(T回路オフ状態、右)。(画像提供:Panasonic、筆者修正)
T回路ON状態(図5、中央):S1とS2がオンの場合、それらのRonは信号レベルを最小限に減衰させ、スイッチオフのS3リレーからの低いCoutは高周波をわずかに減衰させます(ローパス)。
T回路OFF状態(図5、右):S1とS2が非通電の場合、それらのCoutは高周波用のバイパス(ハイパス)を表しますが、スイッチオンのS3リレーは、S1を容量的に通過した信号を短絡します(吸い込み回路)。
T回路のON/OFFタイミングは、ブレークビフォアメイク(BBM)スイッチとして実装されなければなりません。したがって、S1とS2は、S3がオンになる前に解除される必要があります。リレーの場合、BBMは接点が別々に切り替わることを意味し、メイクビフォアブレーク(MBB)はブリッジ方式で切り替わることを意味します。
PhotoMOSリレーの高速スイッチング
PhotoMOSリレーの内蔵フォトセンサは太陽電池として機能し、ゲート充電電流を供給します。そのため、LEDからの光パルスが明るいほど、スイッチング速度が速くなります。たとえば、図6のブートストラップ素子R1/R2/C1は、より高い電流パルスを生成します。
図6:ブートストラップ素子R1/R2/C1は、PhotoMOSリレーのスイッチオン速度を向上させます。(画像提供:Panasonic)
スイッチオンの瞬間、C1がR2の短絡回路として機能するため、R1の低抵抗によって大電流が流れます。C1が充電されていて抵抗値が高い場合は、磁気リレーと同様にR2が追加され、保持電流への流れが減少します。AQV204 PhotoMOSリレーは、このようにスイッチオン時間を180µsから30µsに短縮しています。
まとめ
小型で摩耗のないPhotoMOSリレーを使用することで、設計者はATEアプリケーションの信号密度と測定速度を向上させることができ、一方でメンテナンスの回数を減らすことができます。さらに、推奨される設計手法に従うことで、リーク電流とスイッチング時間を最小限に抑えることができます。
免責条項:このウェブサイト上で、さまざまな著者および/またはフォーラム参加者によって表明された意見、信念や視点は、DigiKey Electronicsの意見、信念および視点またはDigiKey Electronicsの公式な方針を必ずしも反映するものではありません。
このページのコンテンツはDigiKey社より提供されています。
英文でのオリジナルのコンテンツはDigiKeyサイトでご確認いただけます。
DigiKey社の全製品は 1個からマルツオンラインで購入できます

ODM、OEM、EMSで定期購入や量産をご検討のお客様へ【価格交渉OK】
毎月一定額をご購入予定のお客様や量産部品としてご検討されているお客様には、マルツ特別価格にてDigiKey社製品を供給いたします。
条件に応じて、マルツオンライン表示価格よりもお安い価格をご提示できる場合がございます。
是非一度、マルツエレックにお見積もりをご用命ください。





