ADC/DACチュートリアル
著者 Pat Sagsveen
Digi-Key Electronics の提供
2017-09-13
マルツ掲載日:2018-07-18
今日の世界はデジタル信号とアナログ信号に満ちています。それぞれの動作は異なりますが、より大きな目標を達成するために両方の信号がしばしば同時に使用されます。たとえば、あるエンジニアがHVACユニットの制御を任されたとしましょう。なんらかのマイクロコントローラまたはマイクロプロセッサを使用するには、無限の値を含むアナログ温度を読み取り、連続しない別々のステップでバイナリ表現に変換する必要があります。次に、このアナログ値のバイナリ表現が、マイクロコントローラまたはマイクロプロセッサによって処理されます。HVACユニットは安定した環境を維持するために、このデータを使用してプロセスを実行します。アナログ値をデジタルシステムで処理する必要がある場合、A/Dコンバータ(ADC)の使用が不可欠です。デジタル信号をアナログ信号に変換する場合も、同じ原理を逆に適用できます。音楽のオンラインストリーミングには、デジタル信号からアナログ信号への変換を使用する何種類かのステップが含まれます。ホストデバイスがサーバから受信する信号は、元のアナログ信号をバイナリで表現したデータです。このバイナリデータを音声にした応答は、聴き手にとっては理解不能なものです。元の信号がアナログなので、最終的な表現もアナログにする必要があります。この問題を解決するのが、D/Aコンバータ(DAC)です。DACは、ADCによってエンコードされたバイナリコードを元のアナログ電圧に戻します。
アナログからデジタル、またはデジタルからアナログへの信号変換は、現代のエンジニアにとって避けられないタスクです。A/DコンバータとD/Aコンバータには、さまざまな種類があります。それぞれアーキテクチャは異なりますが、達成しようとする結果はほぼ同じです。アナログ値を使用してデジタル信号処理を実行することはできませんが、これは、フランス語を話す人がドイツ語を話す人と会話をするようなものです。会話の成立には通訳が欠かせません。ADCおよびDACデバイスは、この通訳の役割を果たします。アナログ電圧を読み取ったADCの役割は、特定の期間内にアナログ電圧をバイナリコードに変換することです。つまり、ADCはアナログ電圧を即座にサンプリングし、どの値をバイナリデータとして出力するかを決定します。デバイスが毎秒取得するサンプル数は、デバイスのドキュメントに記載されています。例として、Maxim IntegratedのMAX1118EKA+Tを参照してください。このデバイスのサンプリングレートは100kHzなので、入力側で毎秒100,000回、アナログ電圧をサンプリングできます。1秒間にこれだけ多くのサンプルを取得できると、バイナリ変換を使用して正確にアナログ電圧を記録できます。ADCのサンプリングレートが不十分で入力を正確に再現できない場合、エイリアシングが発生します。この場合、異なる信号が区別されなくなったり、誤認されたりします。毎秒24フレームを録画するビデオカメラがあるとします。ほとんどのアプリケーションにとってこれは十分な性能ですが、非常に高速で動く物体を表示しようとすると、画像が歪むおそれがあります。20年前に録画したテレビ番組の画質を思い出してください。テレビに映る画像がちらついていたことでしょう。これは、1秒あたりに録画されたフレーム数を、テレビ自体のリフレッシュレートが大幅に上回っているせいです。ビデオとは、実際には連続する写真であるため、写真と写真との間に、ビデオで表現しきれない動きがあるとき、歪みが生じます。同じような現象がADCでも発生することがあります。これを防ぐには、送信が必要な最大周波数の2倍以上のサンプリングレートを使用する必要があります。このレートをナイキストレートと呼びます。
サンプリングレートが大きいほどデバイスの精度は高くなりますが、精度のコントロール手段はこれだけではありません。アナログ信号をバイナリコードに変換しているので、特定のタイミングでの電圧を表すために使用できる個別ステップは無限にあります。この数字を表すために使用できるビット数が分解能です。ADCの分解能が高いほど、ADCが取る個別ステップの数は多くなります。詳しい説明に進む前に、ADCが取るステップの数の決定方法を理解することが重要です。ADCには、電源電圧を表すバイナリ出力があります。電源電圧が10Vで、8ビットのADCがある場合、ステップ数は最大で256になります。分解能を特定するには、2nという式を使用します。「2」は定数で、Nはビット数です。28を計算すると、ステップ数256が得られます。10V電源で256ステップを使用すると、各ステップが39.0625mVになります。それぞれのステップに異なるバイナリコードが割り当てられます。最も低い値から最も高い値まで、考えられるすべての入力値をADCに入力すると、階段状の略図になります。この階段がADCの変換機能です。図1に、基準電圧2Vの3ビットADCを使用した変換を図示します。
図1:基準電圧2Vの3ビットADCによる変換機能(Microchip Technology提供)
3ビットあるので、合計ステップ数は、2nという式で計算できます。

図1から明らかなように、000から111までの間には8つのステップがあり、ステップごとにLSBが1つ上がります。
前述したように、ADCアーキテクチャにはいくつかの種類があります。最も一般的なADCアーキテクチャは、逐次比較レジスタ(SAR)、デルタシグマ(∆∑)、パイプラインコンバータの3つです。いずれもアナログ信号をデジタル出力に変換しますが、その方法には若干の違いがあります。SARはアナログ入力をサンプリングして保持した後、デジタル信号に変換してから出力します。デルタシグマコンバータは、一定期間中のサンプルの平均をとってデジタル信号に変換します。パイプラインコンバータは複数の段階に変換を分割することで、非常に高速な変換速度を実現します。それぞれのアーキテクチャにはプラスの面とマイナスの面があります。SARアーキテクチャは高精度、低レイテンシで使いやすく、多くの場合、消費電力も低く抑えられます。シグマデルタの分解能は非常に高く、低消費電力、低コストで高い安定性を実現しますが、変換速度はSARおよびパイプラインアーキテクチャよりも大幅に低くなります。また、パイプラインADCはその他の2種類よりも高速かつ高帯域幅で動作しますが、分解能が低く、消費電力が大きくなります。
逐次比較レジスタ
逐次比較レジスタは、最も一般的な種類のADCです。多くの場合、I2CまたはSPIインターフェースを備えていますが、一部にはパラレル出力があります。アナログ信号を処理するため、SAR ADCには、信号を一定に維持するためのサンプルアンドホールド回路があります。また、内蔵DACと比較してアナログ入力を測定するコンパレータがあります。このDACは、このポイントで取りうる電圧の1/2に設定します。入力がこのDACより高い場合、コンパレータの出力「1」が逐次比較レジスタのMSBに格納されます。次に、DACを取りうる電圧の1/4に設定して処理を繰り返します。すべてのビットがレジスタに読み込まれるまで、DACの値を1/8、1/16、・・と設定していきます。これは、おもりを連続的に追加する、または追加しないことで物体の重量を測定する秤を例にとると理解がしやすくなります。要点を図2に示します。
図2:アナログ値からデジタル値を取得する逐次比較ADCのイメージ(Analog Devices提供)
元のブロック=45ユニットですが、最初のテストで、それぞれが1ユニットに相当する小ブロックを32個使用します。元のブロックは、小ブロック32個よりも重いので、小ブロック32個は残ります。次に、小ブロックを16個追加します。32+16=48になり、これは重すぎます。その結果、16個の小ブロックは破棄されます。次に、秤に小ブロックを8個追加します。32+8=40なので、これは追加されます。さらに4個の小ブロックを追加すると、44ブロックになります。次に2個の小ブロックを追加すると46ユニットになり、45ユニットを超えるので、これは除去されます。最後に、1個の小ブロックを追加すると、両方のブロックの重量が等しくなります。小ブロックを追加するたびに、追加する個数が半分になります。これが、SAR上でDACから取得される値を表しています。図3に、逐次比較レジスタADCのブロック図を示します。
図3:逐次比較ADCの機能ブロック図(Analog Devices提供)
SAR ADCの例には、Texas InstrumentsのADS7886SDBVTがあります。これは12ビットのADCなので、0Vから電源電圧までに4,096個のステップを取ることができます。サンプリングレートは1MHzで、1秒あたり100万件の入力値を取得します。ADCを完成製品に組み込む前にその性能をテストする必要があるので、メーカーはしばしば、試験のための評価ツールを作成します。ADS7886SDBVTについては、ADS7886EVMという評価ツールが提供されています。このツールでは、ADCの機能テストに必要な受動部品がすべてボードに組み込まれているので、非常に簡単にテストを実施できます。
シグマデルタ∆∑
シグマデルタコンバータは、高い分解能と精度を必要とするケースで非常に人気のある選択肢です。たとえば音声録音は、シグマデルタコンバータを使用するアプリケーションの良い例です。シグマデルタコンバータでは、入力をオーバーサンプリングする必要があります。シグマデルタコンバータについての議論にナイキストレートは該当しませんが、サンプリングレートが、最も高いサンプル周波数の約20倍になるとき、最高の性能が得られます。シグマデルタコンバータの出力は、デジタルフィルタとデシメータに入力されます。デシメータはビットストリームを処理して、最終的な出力を生成します。多くの場合、デジタルフィルタと出力の間にはシリアルインターフェースがあります。シグマデルタADCの例には、Analog Devices, IncのAD7175-2BRUZがあります。図4に、AD7175-2BRUZの機能ブロック図を示します。
図4:Analog DevicesのシグマデルタADC、AD7175-2BRUZの機能ブロック図(Analog Devices提供)
このシグマデルタADCの分解能は24ビットで、サンプリングレートは250kHzです。つまり、取りうるステップ数は最大で16,777,216になります。このため、前の例(ADS7886SDBVT)の約1/4のサンプリングレートで、大幅に高い分解能を提供します。ADS7886SDBVTと同様に、AD7175-2BRUZにもテスト用の評価ボードが提供されています。評価ボードEVAL-AD7175-2SDZを使用すると、簡単にADCを評価できます。
パイプライン型
パイプライン型ADCは最も高速なADCです。『ADCアーキテクチャV:パイプライン型サブレンジングADC』から抜粋した例では、6ビットのパイプラインADCを使用して説明しています。サンプルアンドホールド回路があるのはSARと同様ですが、サンプルアンドホールドの直後にある3ビットのサブADCフラッシュコンバータが信号をデジタル化します。この3ビットの変換は、最上位の3ビットに対して行われ、サブDACを使用して、アナログ信号に戻されます。この出力がサンプルアンドホールド出力から差し引かれたのち、増幅され、2番目のステージである3ビットのサブADCに送り返されて、残りの最下位3ビットが処理されます。図5に、これを図示したブロック図を示します。
図5:パイプライン型サブレンジングADCの機能ブロック図(Analog Devices提供)
パイプライン型ADCの例には、Texas InstrumentsのADC10080CIMT/NOPBがあります。これは10ビットのADCなので、最大ステップ数は1,024になり、毎秒80Mのサンプルを変換することができます。このデバイスの用途には、超音波およびイメージング、計測器、データ収集システムなど、高速変換を必要とするすべてのアプリケーションが挙げられます。ADC10080CIMT/NOPBのブロック図を見ると、前述の説明に従って組み立てられているのが分かります。図6に、ADC1008CIMT/NOPBのデータシートから抜粋したブロック図を示します。
図6:Texas InstrumentsのADC10080CIMT/NOPBの機能ブロック図(Texas Instruments提供)
バイナリ加重DAC
ここまでは、ADC側のデータ変換に焦点を合わせてきましたが、これは話の半分にすぎません。しばしば、バイナリデータを元のアナログ信号に変換する必要が生じます。ここで、D/Cコンバータが役に立ちます。学校で最初に教わる種類のDACは、バイナリ加重DACです。バイナリ加重DACでは、すべての出力が同じ加算抵抗に格納されるレジスタシステムが使用されます。上位のビットは、下位ビットよりも多くの電流を出力します。これを実現するために、反比例する抵抗ネットワークを構築します。デジタルコードのバイナリビットはどれも同じ電圧値を持つので、反比例するレジスタを各ビットで使用すると、ビットが大きいほど流れる電流が大きくなります。現在はもっと容易な方法が使用されているので、この特定の変換手法はもうそれほど一般的ではありませんが、DACの仕組みを説明するためには非常に良い出発点です。この手法の最大の難点は、同時に動作する異なるレベルの抵抗を見つけることです。許容誤差が極めて小さいので、バイナリ加重方式で使用される何種類もの値よりも、同様の値を持つ抵抗を見つける方がずっと簡単です。図7では、バイナリ加重抵抗ネットワークの回路図を使用して、このアーキテクチャを図示します。
図7:バイナリ加重抵抗ネットワークの回路図(Georgia Institute of Technology提供)
ストリングDAC
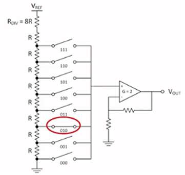
もう1つの一般的なDACアーキテクチャはストリングDACです。これは最も単純なアーキテクチャで、直線性が最も低く、ケルビンディバイダと呼ばれることもあります。ストリングDACでは、値の等しい抵抗ストリングを直列に接続します。一番上に基準電圧を、ストリングの前に高インピーダンス抵抗を接続します。各ノードにはそれぞれ特定のバイナリコード専用のスイッチがあり、デバイスによってそのコードが読み取られるとスイッチが閉じます。こうすることで、バイナリ入力に応じたアナログ電圧値を使用できます。図8は、Texas Instruments提供のビデオ『What is a String DAC?』から抜粋した図です。10進数「2」を表すコード「010」が選択されています。「010」にあるスイッチが閉じているので、このノードのDC電圧が加算アンプに渡されます。
図8:ストリングDACの回路図イメージ(Texas Instruments提供)
ストリングDACは、ストリング内の各所(高インピーダンス抵抗を除く)で同じ値の抵抗を使用するので、容易に製造できます。ストリングDACの例には、Analog Devices Inc.のAD5683RBRMZがあります。これは、SPIを使用する16ビットのストリングDACです。図9に、このデバイスの機能ブロック図を示します。図10は抵抗分圧器を示しています。この製品についても、評価ツールEVAL-AD5683RSDZが提供されています。
図9および図10:Analog DevicesのAD5683RBRMZの機能ブロック図(左)と抵抗分圧ネットワーク(右)(Analog Devices提供)
R-2R
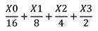
R-2Rネットワークは非常によく使用されるDACアーキテクチャです。これは2つの抵抗値のみを使用するDACで、2RがRの2倍であるかぎり、それぞれの値は重要ではありません。R-2R DACの拡張性が非常に高いのはこのためです。DACが何ビットであっても、必要な抵抗値は2つだけです。図11に、4ビットのR-2Rラダーネットワークを示します。
![]()
これはすべてのデジタル入力を表した式で、X0がLSBになり、X3がMSBになります。5Vの基準電圧を使用する場合は、以下のようになります。
![]()
同じロジックに従って、以下の式で最上位ビットのアナログ電圧を求めることができます。
![]()
バイナリ入力値が1111の場合、出力は5Vになりません。分解能に関する前述の議論を思い出してください。4ビットのDACの場合のステップ数は16です。これは、24が16になるためです。LSBが0.3125Vなので、0.3125 x 16を計算すれば答えは5を超えますが、これは誤解を招きます。バイナリ「0000」を表す0Vグランドを含むステップが1つあるからです。つまり、最高電圧は電源電圧からLSB電圧を差し引いたものになり、計算すると、4.6875Vになります。
![]()
R-2R DACの例には、Texas InstrumentsのDAC8734SPFBがあります。これは16ビットのコンバータで、このデバイスのR-2Rネットワークで使用されるレイアウトは、上で説明したものによく似ています。図12に、DAC8734SPFBのR-2Rネットワークを示します。DAC8734SPFBにも、評価ツールDAC8734EVMが提供されています。
図12:Texas InstrumentsのDAC8734SPFB R-2R DACの回路図(Texas Instruments提供)
このほかにも多数のADC/DACアーキテクチャがありますが、本記事では一部の一般的なアーキテクチャのみを取り上げました。これらのデバイスは、現代のデジタル信号処理には不可欠です。ADC/DACデバイスなしでは、アナログ出力をデジタル信号処理に組み込むことも、その逆も不可能です。専門家でなければその有難みを簡単に忘れてしまうかもしれませんが、アナログ部品をデジタルシステムに接続する必要のあるエンジニアにとっては、これは考慮に入れるべき最も重要な事項の1つになります。アナログからデジタルへの変換を考えるとき、異なる言語で会話しようとする2人のたとえ話を思い出してください。2人の間に通訳がいなければ、コミュニケーションは成立しません。ADC/DACデバイスを適切に利用しない限り、1台のデバイスで使用できるのは完全にアナログのみか、完全にデジタルのみになります。ADC/DACデバイスは、両方の世界をつなぐ優れたハンドシェイクの役割を果たします。
リソース
1.『AVR127: ADCパラメータの理解』2016年5月。
2.『アプリケーションに適したA/Dコンバータの選択』2017年5月8日。
3.Kester, Walt.『ADCアーキテクチャII:逐次比較ADC』2008年10月
4.Kester, Walt.『ADCアーキテクチャIII:シグマデルタADCの基本』2008年10月
5.Kester, Walt.『ADCアーキテクチャIV:シグマデルタADCアドバンスドコンセプトおよび応用』2008年10月
6.Kester, Walt.『ADCアーキテクチャV:パイプライン型サブレンジングADC』2008年10月
7.Kester, Walt.『DACインターフェースの基礎』2008年10月
8.Kester, Walt.『基本的なDACアーキテクチャII:バイナリDAC』2008年10月
9.Lee, J., Jeelani K., Beckwith, J. 『D/Aコンバータ』2017年5月8日。
10.Poole, Matt.『ストリングDACとは』2016年4月4日
このページのコンテンツはDigi-Key社より提供されています。
英文でのオリジナルのコンテンツはDigi-Keyサイトでご確認いただけます。
Digi-Key社全製品 1個からマルツで購入できます
定期購入・量産をご検討のODM、OEM、EMSのお客様へ【価格交渉OK】
毎月一定額をご購入されるお客様、量産部品として検討されるお客様に向けては、マルツ特別価格にてDigi-Key社製品を供給します。
条件に応じてマルツオンライン表示価格よりもお安い価格をご提示できる場合がございます。
是非一度、マルツに見積もりをご用命くださいませ。






