デジタル信号コントローラを使用して、より優れた車載用/E-モビリティシステムを構築する方法
著者 Stephen Evanczuk 氏
Digi-Keyの北米担当編集者 の提供
2021-11-17
マルツ掲載日:2022-03-07
従来の車載用システムやE-モビリティシステムは、利便性やミッションクリティカルな機能的安全性において、無数の電子デバイスの効果的な動作に依存しています。これらの異なるアプリケーションには多様な要件がありますが、基本的に、信頼性の高い高性能なリアルタイム応答を提供しながら、過酷な条件下で動作する機能が求められます。
その結果、開発者は、拡大する車載用とE-モビリティのユースケースの設計や開発を簡素化するのに役立ち、一貫性があり、強力でサポートの行き届いた拡張可能なプラットフォームへの高まるニーズに直面しています。
この記事では、これらの要件を満たすことができるMicrochip Technologyのデジタル信号コントローラ(DSC)ファミリについて説明し、車載用とE-モビリティシステムに不可欠な機能のリファレンス設計における、これらのDSCの使用について解説します。
多様な設計課題に求められる柔軟なソリューション
従来の自動車と電気自動車のどちらを設計するにしても、開発者は、パワー変換サブシステム、車内ワイヤレス充電、デジタル照明システム、比較的単純なステッピングモータアプリケーションから電気自動車(EV)やハイブリッド電気自動車(HEV)の複雑な回生ブレーキシステムまでのモータ制御システムなど、増え続けるアプリケーションに対応する必要があります。
各自動車メーカーが、安全性、利便性、機能性、性能の向上を求める消費者需要や競争圧力への対応に取り組むにつれて、ミッションクリティカルな機能的安全性の要件だけでなく、設計フットプリントや部品表(BOM)の要件も重要性を増しています。
これらの要件に対応するために、業界はすでに、ほぼすべての車両サブシステムにおいて、デジタルソリューションに大きく舵を切っています。従来の乗用車のサブシステムは、商用航空機の4倍のソフトウェアコードを実行するマイクロコントローラ(MCU)にすでに依存しています[1]。
しかし、需要や競争圧力が激化する中、従来のマイクロコントローラソリューションでは、自動車設計者が直面しているさまざまな要件を満たすことができません。特にEVでは、より多くの電子サブシステムで異なる電源レールや、それに関連した高電圧DC/DC変換機能が必要となるため、より高度なデジタル制御機能が求められます。
モバイル機器の車内ワイヤレス充電のような他のアプリケーションでは、より多くの民生機器に組み込まれている業界標準のパワーレシーバと互換性のあるマルチコイルワイヤレスパワートランスミッタに対する、全く新しい設計要件が数多くあります。
自動車の照明設計では、ヘッドライトの明るさ、色の美しさ、ダッシュボードの調光効果などを実現するために、調光、温度、部品の経時変化などの技術的特性に対応する必要があります。最後に、高精度なデジタル制御モータは従来の自動車にも遍在しており、もちろん、E-モビリティの機能的な基盤を提供します。
Microchip TechnologyのdsPIC33 DSCファミリは、専用機能を備えたファミリ製品を使用してこれらの多様な要件に対応するため、特別に設計されています。このファミリの最新モデルであるdsPIC33Cでは、より高度なアプリケーションをターゲットとする開発者のために、dsPIC33EとdsPIC33F DSCで利用可能な性能と機能が拡張されています。
デジタル信号プロセッサ(DSP)コアをベースとしたこれらのDSCは、MCUのシンプルさとDSPの性能を組み合わせ、フットプリントやBOMを最小限に抑えながら、高性能、低レイテンシ、リアルタイム機能の増大する要件を満たします。
MicrochipのdsPIC33開発ボード、リファレンス設計、ソフトウェア開発ツールの広範なエコシステムを使用することで、開発者はdsPIC33ファミリのさまざまな製品を利用して設計を拡張し、車載用やE-モビリティシステムの中核となる幅広いアプリケーションを提供することができます。
車載用とE-モビリティ設計向けのさらに効果的なハードウェアベース
MicrochipのdsPIC33Cファミリは、多くの車載用サブシステムで使用されているソフトウェアベースの高速デジタル制御ループのレイテンシを低減し、実行速度を向上させるために特別設計されています。この機能を実現するために、これらのデバイスは、DSPエンジン、高速レジスタ、複数のA/Dコンバータ(ADC)、D/Aコンバータ(DAC)、アナログコンパレータ、オペアンプなどの密結合ペリフェラルを内蔵しています。
DSPエンジンの40ビットアキュムレータを備えたシングルサイクル16×16積和演算(MAC)、ゼロオーバーヘッドルーピング、バレルシフティングなどの機能により、デジタル制御ループの高速実行を実現しています。
分解能150psのパルス幅変調器(PWM)、キャプチャ/コンペア/PWM(CCP) タイマ、ペリフェラルトリガジェネレータ、ユーザープログラム可能な構成可能ロジックセルなどのペリフェラル機能により、精密な制御ループインターフェースの独立した動作が可能になります。
5×5mmという小さなパッケージに収められたこれらのデバイスの広範なオンチップ機能は、洗練された車載用システムにおける小型デバイスの要件を満たす最小限のフットプリントとBOMを実現するのに役立ちます。
これらのデバイスは、高度な車載用システムで使用されるコントローラエリアネットワーク(CAN)、ローカル相互接続ネットワーク(LIN)、デジタル多重(DMX)など複数の通信インターフェースに対応しており、車載用設計をさらに簡素化します。
さらに、これらのデバイスには、シングルコアとデュアルコアの両方の構成で、異なるメモリサイズが用意されており、高度な車載用とE-モビリティアプリケーションに求められる拡張可能なソリューションを提供します。
過酷な車載用環境に対応するため、AEC-Q100グレード0認定のこれらの部品は、-40℃~+150℃の拡張温度範囲に対応し、車内動作の厳しい要件を満たすことができます。ミッションクリティカルな車載用設計において最も重要なのは、選定されたdsPIC33ファミリ製品が機能的安全性に対応し、ISO 26262(ASIL AまたはASIL B)、IEC 61508(SIL 2)、IEC 60730(クラスB)などの安全仕様への準拠を容易にすることです。
これらのdsPIC33ファミリ製品は、デッドマンタイマ、ウォッチドッグタイマ、フェイルセーフクロックモニタリング、ランダムアクセスメモリ(RAM)、組み込みセルフテスト(BIST)、エラー訂正コードなど、安全性に特化したハードウェア機能を内蔵しています。
ソフトウェア開発において、MicrochipのMPLAB XC Cコンパイラは、機能的安全性に関するTÜV SUD認証を取得しているほか、診断ソフトウェアライブラリを利用できる場合もあります。さらに、Microchipは、安全認証プロセスの一環として、必要な故障モード影響診断解析(FMEDA)レポートと安全マニュアルを提供しています。
機能的安全性認証に必要なハードウェア安全機能と開発能力は、従来の自動車と電気自動車向けのdsPIC33に基づく設計をサポートする豊富な開発エコシステムの一部に過ぎません。Microchipは、MPLAB X統合開発環境(IDE)をベースに、以下に記載するさまざまなアプリケーション分野に特化した豊富な設計ツールとライブラリを提供しています。
dsPIC33ファミリの開発をさらに加速するために、Microchipは、dsPIC33開発ボードの豊富なエコシステムに加え、ホワイトペーパー、アプリケーションノート、リファレンス設計などのダウンロード可能な設計リソースも提供しています。
これらのリソースのうち、いくつかのdsPIC33Cリファレンス設計は、ワイヤレス充電、デジタル照明、パワー変換、モータ制御など、主要な車載用およびE-モビリティアプリケーション分野に対応しています。これらのリファレンス設計と関連ソフトウェアは、dsPIC33C DSCの各分野での使用例を示すだけでなく、カスタム設計を実装するための出発点としても役立ちます。
パワー変換用の高精度デジタル制御ループの実装
制御ループは、多くの車載用とE-モビリティアプリケーションの中核をなしており、これらのアプリケーションにおける最も重要な用途の1つは、パワー変換の基本的なニーズを満たすことです。効率的なDC/DC変換は、従来の車載用システムにおいて引き続き重要であり、高電圧の電気自動車やハイブリッド電気自動車においても不可欠です。
これらのシステムでは、200~800Vのバッテリ電圧を安全かつ効率的に12Vまたは48Vレベルに落として、車外/車内照明、ワイパー、窓、ファン、ポンプなどのモータを動作させる必要があります。
200WのDC/DC LLC(3つのリアクタンス素子:2つの誘導性素子と1つの容量性素子)共振コンバータのリファレンス設計[2]では、内蔵のPWMの1つを使用して制御ループでハーフブリッジMOSFETを駆動することにより、1個のdsPIC33デバイスでスイッチモード電力変換のための小型のデジタルソリューションを実現しています(図1)。
図1: Microchip TechnologyのDC/DC LLC共振コンバータのリファレンス設計は、1個のdsPIC33 DSCを使用して、パワー変換設計の中核となる制御ループをデジタル管理しています。(画像提供:Microchip Technology)
図2では、共振トランスにより、1次側の高電圧(黒線)と、2次側のMOSFETドライバ(D)用の12V電源(青線)とdsPIC33 DSCなどのアナログ部品(A)用の3V電源が分離されています。
図2: 専用ペリフェラルを備えたdsPIC33 DSCは、設計の簡素化と部品点数の削減に役立ちます。ここでは、内蔵のPWMとペリフェラル機能を使用して、外部のMOSFET(D)やその他のアナログ部品(A)を制御しています。(画像提供:Microchip Technology)
この設計では、dsPIC33は基本的な割り込み駆動型のソフトウェア設計を使用してデジタル制御ループを管理しています。ここでは、ソフトウェアの比例積分微分(PID)コントローラで使用する出力電圧の取得にADC割り込みを使用しています。
もう1つのADC割り込みは温度センシングをサポートし、dsPIC33のアナログコンパレータは過電流と過電圧イベントの検出をサポートしています。実際、PID制御プロセスとそれに関連する制御ループ管理タスクを実行すると、温度監視、故障監視、通信などのハウスキーピングや監視タスクのために処理の余裕が生まれ、これらはすべて簡単なファームウェアの処理シーケンス内に収まります(図3)。
図3:dsPIC33 DSCの高性能DSPエンジンと密結合ペリフェラルにより、開発者は複雑なデジタル制御ループをよりシンプルなコードで容易に実装することができます。(画像提供:Microchip Technology)
より専門的なデジタルパワーソリューションの構築を検討している開発者のために、MicrochipのDigital Power Design Suiteは、対象となるdsPIC DSCの構想からファームウェアの生成まで、設計をサポートします。
開発者はdsPIC DSCのハードウェア機能をベースに、スイートのDigital Compensator Design Tool(DCDT)を使用して制御ループを解析し、MPLAB Code Configurator(MCC)を使用してMicrochip Compensator Librariesに含まれる最適化されたアセンブリコード関数を使用するコードを生成します(図4)。
図4: 開発者は、Microchipの包括的なツールチェーンを利用して、デジタルパワーサブシステムの中核となる最適化されたソフトウェアベースの制御ループの開発を迅速に行うことができます。(画像提供:Microchip Technology)
ワイヤレスパワートランスミッタのような標準ベースのデバイスを構築する場合でも、より複雑なカスタムデバイスを実装する場合でも、車載用とE-モビリティ制御ループアプリケーションの設計者は、故障監視などの基本的な機能に加えて、付加機能をサポートできる小型のソリューションを実装する必要があります。
もう1つのリファレンス設計では、シングルコアのdsPIC33CK DSCを使用して、デジタル制御パワー変換のもう1つの重要なアプリケーションであるワイヤレスパワー送信に豊富な機能を提供しています。
Qi準拠のワイヤレスパワートランスミッタの実装
スマートフォンなどのモバイル機器メーカーに広く採用されている、5~15Wのワイヤレスパワー転送を実現するワイヤレスパワーコンソーシアム(WPC)のQi規格により、消費者は、互換性のあるワイヤレストランスミッタが組み込まれたあらゆる場所にQi対応機器を置くだけで充電できます。
自動車の内装やサードパーティの充電製品に組み込まれたQiワイヤレスパワートランスミッタは、有線の電源接続による混乱や潜在的な不安を解消し、スマートフォンの便利な充電方法を提供します。Microchip Technologyの15W Qiワイヤレスパワーリファレンス設計[3]では、dsPIC33を使用してこのタイプのサブシステムの実装を簡略化しています(図5)。
図5:dsPIC33の内蔵ペリフェラルは、独立して動作することで主要な制御タスクを高速化することができ、ワイヤレスパワートランスミッタのような複雑なアプリケーションでは、ユーザーインターフェース、通信、セキュリティなど、他のタスクを実行するための処理マージンを確保することができます。(画像提供:Microchip Technology)
このリファレンス設計では、Microchip TechnologyのシングルコアdsPIC33CK256MP506 DSCをベースに、DSCの統合機能を利用してデジタル制御ループを実装しています。この設計は、前述の共振コンバータで使用されるハーフブリッジではなく、フルブリッジのトポロジに基づいていますが、デバイスの複数のPWMはこの追加要件を容易に満たします。
一般的に、ワイヤレスパワートランスミッタは、電力を送信するために複数の無線周波数(RF)コイルを提供します。この設計では、ブリッジインバータは、マルチプレクサ(MUX)を介して3つのコイルのうちの1つに接続されています。フルブリッジインバータや電圧調整フロントエンドと同様に、この設計でもdsPIC33の内蔵ペリフェラルを最大限に活用してコイルのMUXスイッチングを管理しています。
dsPIC33のペリフェラルは、MicrochipのMIC4605とMP14700ゲートドライバを制御するほか、以下を実行します。
・MicrochipのMCP23008 I/Oエキスパンダで電源インジケータ用の発光ダイオード(LED)を制御
・MicrochipのMCP2221A USBブリッジデバイスによるUSB接続を提供
・WPCメーカーの認証局(CA)としてMicrochipが提供する同社のATECC608認証デバイスにより、WPC準拠のセキュアなストレージをサポート
・MicrochipのATA6563 CANフレキシブルデータレート(FD)デバイスにより、ISO 2622の機能的安全性に対応したCAN接続を提供
さらに、このリファレンス設計では、MicrochipのMCP16331降圧コンバータとMCP1755リニアレギュレータを使用して、補助的なバッテリ電源をサポートしています。
リファレンス設計では、この比較的小さなBOMを使用して、高効率、充電エリアの拡大、有用なZ距離(トランスミッタとレシーバの間の距離)、異物検出、主要なスマートフォンで使用されている複数の急速充電方式のサポートなど、ワイヤレスパワーシステムの主な特長をすべて備えたQi対応ソリューションを提供します。
開発者はこのソフトウェアベースの設計に基づいて、トランスミッタとレシーバの間の専用の通信プロトコルや、Bluetoothのようなワイヤレス接続オプションなどの機能を簡単に追加することができます。
小型デジタル照明ソリューションの実装
dsPIC33デバイスの統合された機能性は、自動車のラインを乱すことなく何らかの高度な機能を追加する必要がある車載用とE-モビリティアプリケーションにおいて、特に重要です。高輝度LEDの登場により、自動車メーカーは車外ヘッドライトや車内照明に高いデザイン性を持たせることができるようになりました。
しかし、これらの照明サブシステムの開発者は通常、より多くの機能を小さなパッケージに押し込み、同時に照明デバイスの制御チェーン用の一般的な通信プロトコルを提供するDMXのような業界標準にも対応する必要があります。前述のワイヤレスパワートランスミッタの設計と同様に、小型デジタル照明[4]ソリューションの設計では、dsPIC33の内蔵ペリフェラルを利用します(図6)。
図6:Microchip TechnologyのdsPIC33 DSCにより、自動車に目立たないように機能を組み込むのに必要な複雑な設計を最小限のフットプリントとBOMで実現できます。(画像提供:Microchip Technology)
他のデジタルパワーアプリケーションと同様に、このデジタル照明設計では、dsPIC33の内蔵PWM、アナログコンパレータ、その他のペリフェラルを活用して、完全な小型デジタル照明ソリューションを提供します。
このデジタル照明ソリューションは、前述の設計アプリケーションと同様に、dsPIC33 DSCの処理能力とそのペリフェラルの独立動作を利用して、電源デバイス、トランシーバ、LEDなどの必要な外部デバイスセットを監視し制御を行います。Microchipの他の設計例では、dsPIC33 DSCの高性能な処理能力が、より複雑なデジタル制御アルゴリズムや高度なモータ制御システムを扱う際に発揮されています。
1個のdsPIC33 DSCによる高度なモータ制御システムの実装
dsPIC33 DSCの性能により、開発者は1個のDSCを使用して、コアとなるデジタル制御ループと各種補助機能を実行することができます。実際、Microchipのデュアルモータ設計[5]では、シングルコアのdsPIC33CK DSCを1個だけ使用して、1対の永久磁石同期モータ(PMSM)のセンサレスのフィールド指向制御(FOC)を実装しています。この設計の鍵となるのは、モータ制御1(MC1)とモータ制御2(MC2)のモータ制御チャンネルごとに、インバータへPWM信号を移相することです(図7)。
図7:高性能な処理能力と内蔵ペリフェラルにより、シングルコアのdsPIC33CK DSC1個でデュアルモータ制御設計に対応できます。(画像提供:Microchip Technology)
このアプローチでは、dsPIC33CKのPWMは、各モータ制御チャンネルに必要な波形を生成し、最適なタイミングで別々のADCをトリガするように構成されています。各ADCが変換を完了すると、dsPIC333CKがその読み取りセットのFOCアルゴリズムを実行するための割り込みを発行します。
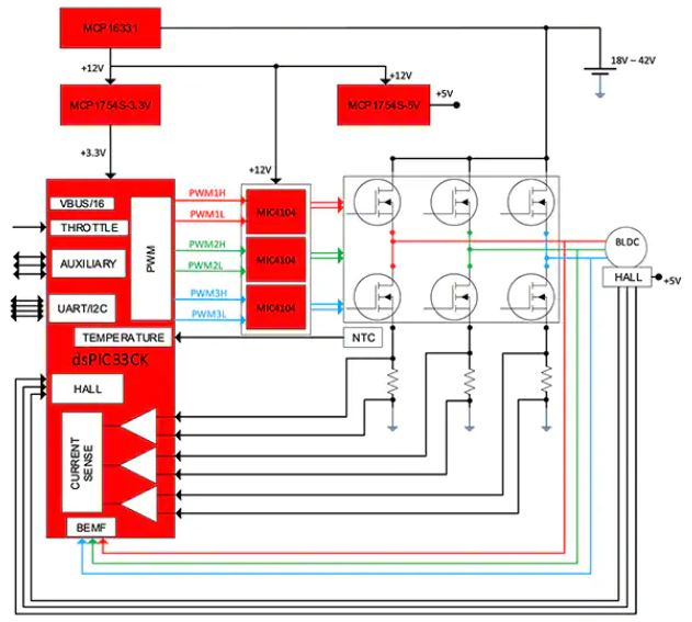
1個のdsPI33CK DSCで、より堅牢なモータ制御アプリケーションを処理することもできます。高性能な電動スクーター(eスクーター)のリファレンス設計では、dsPIC33CKが複数のFETとMicrochipのMIC4104ゲートドライバを制御して、ブラシレスDC(BLDC)モータを駆動する3相インバータを実現しています(図8)。
図8:シングルコアのdsPIC33CKを使用すれば、わずかな部品を追加するだけで、eスクーターの堅牢なモータ制御サブシステムを実装することができます。(画像提供:Microchip Technology)
eスクーターのリファレンス設計[6]は、ホール効果センサの出力に加えて、BLDCモータの逆起電力(BEMF)を監視する機能も備えているため、センサレスとセンサの両方の動作モードをサポートします。この設計では、18~24Vの入力電圧源を使用して、350Wの最大出力を実現します。
Microchipは、この設計[7]をさらに拡張して、EVやHEVで使用される回生ブレーキを追加し、モータが車両のバッテリ供給よりも高い電圧レベルでBEMFを発生させることで、エネルギーを回収します。ここで、拡張設計では、dsPIC33CKピンを追加してブレーキからの信号を監視します。
ブレーキが検出されると、dsPIC33CKはまずインバータのハイサイドゲートをオフにして、回収した電気エネルギーをDCバス電圧よりも高いレベルに昇圧し、次にローサイドゲートをオフにして、電流が電源に戻るようにします。
開発者は、シングルコアのdsPIC33CKをデュアルコアのdsPIC33CH DSCに置き換えることで、この設計を拡張してより大きな機能に対応させることができます。このような設計では、1つのコアがBLDCモータ制御と回生ブレーキ機能を最小限のコード変更で管理し、他方のコアが追加の安全機能や高レベルのアプリケーションを実行することができます。
デュアルコアのdsPIC33CHを使用することで、モータ制御の開発チームとアプリケーションの開発チームが別々に作業を行い、それらの制御をシームレスに統合してDSC上で実行することが可能になります。
MicrochipのmotorBench開発スイートは、カスタムモータ制御設計のために、重要なモータパラメータの正確な測定、制御ループの調整、Microchipのモータ制御アプリケーションフレームワーク(MCAF)とモータ制御ライブラリをベースにしたソースの生成を行うのに役立つグラフィカルユーザーインタフェース(GUI)ツールセットを提供します。
まとめ
開発者はMicrochip TechnologyのdsPIC33 DSCを使用することにより、比較的少ない追加部品で、従来の車載用およびE-モビリティアプリケーション向けの幅広いデジタルパワー設計を実装することができます。
シングルコアとデュアルコアのdsPIC33 DSCは、豊富なソフトウェアツールとリファレンス設計に支えられ、パワー変換、ワイヤレス充電、照明、モータ制御などの最適なソリューションを迅速に開発するための拡張可能なプラットフォームを提供します。
参照資料
(1) H・プロフ博士その他、2020年。ソフトウェアが変革する自動車の世界。Deloitte Insights。
(2) https://www.microchip.com/en-us/development-tool/DC/DC-llc-resonant-converter
(3) https://www.microchip.com/en-us/solutions/power-management-and-conversion/intelligent-power/wireless-power/15w-multi-coil-wireless-power-transmitter
(4) https://www.microchip.com/en-us/solutions/power-management-and-conversion/intelligent-power/digital-lighting-control-and-drivers
(5) dsPIC33CKによるデュアルモータ制御のホワイトペーパー
(6) http://aem-origin.microchip.com/en-us/solutions/motor-control-and-drive/applications-and-reference-designs/e-scooter-reference-design
(7) https://www.microchip.com/en-us/application-notes/an4064
免責条項:このウェブサイト上で、さまざまな著者および/またはフォーラム参加者によって表明された意見、信念や視点は、Digi-Key Electronicsの意見、信念および視点またはDigi-Key Electronicsの公式な方針を必ずしも反映するものではありません。
このページのコンテンツはDigi-Key社より提供されています。
英文でのオリジナルのコンテンツはDigi-Keyサイトでご確認いただけます。
Digi-Key社の全製品は 1個からマルツオンラインで購入できます

ODM、OEM、EMSで定期購入や量産をご検討のお客様へ【価格交渉OK】
毎月一定額をご購入予定のお客様や量産部品としてご検討されているお客様には、マルツ特別価格にてDigi-Key社製品を供給いたします。
条件に応じて、マルツオンライン表示価格よりもお安い価格をご提示できる場合がございます。
是非一度、マルツエレックにお見積もりをご用命ください。





