CANバスを信頼性高く動作させるための電源と信号の絶縁の実装方法
著者 Jeff Shepard(ジェフ・シェパード) 氏
Digi-Keyの北米担当編集者 提供
2020-09-23
マルツ掲載日:2021-1-18
車載用や産業用システムの分野では、コントローラエリアネットワーク(CAN)通信バスと相互に接続されたコントローラの使用が急速に進んでいます。このため、設計者は高周波放射による電磁妨害(EMI)からコモンモードの伝導妨害、電気モータ、リレー、オルタネータ/ジェネレータの起動と停止といったさまざまな負荷の接続、切断による電圧スパイクまで、幅広い周波数で電気的ノイズの多い環境を考慮しなければならなくなっています。
CANバスは過酷な電気環境に適しますが、適切に保護しないと、さまざまな故障モードに陥りやすい側面もあります。
この記事では、CAN障害の潜在的な原因を検証し、一般的な絶縁技術を紹介します。そして、Texas Instruments、RECOM Power、NXP Semiconductors、Analog Devicesといったベンダが提供するソリューションを紹介します。設計者は、これらを活用することでCANデバイスを保護できます。
また、評価ボードの使用方法など、ソリューションを効果的に実装する方法についてのガイダンスを紹介します。この記事で取り上げるソリューションには、ディスクリート実装(個別のCANトランシーバに基づく)ソリューションと、ワンチップや2チップの絶縁型CANバス設計に基づく統合ソリューションがあります。
障害の原因と絶縁の必要性
CANバスの障害は、サブシステム間のグランド電位差、コモンモードエネルギーや放射エネルギーなどの一般的なノイズ源、配電バス上の高電圧ノイズやスパイクなど、さまざま要因で発生する可能性があります。
車載用システムや産業用システムでCANバス相互接続が確実に動作するには、次の2種類の絶縁が必要です。
(1)電源バスからの絶縁
(2)多様なサブシステムを接続する通信バスの絶縁
電源経路と信号経路を個別に絶縁するソリューションは、多くの場合、統合型ソリューションと比べて低コストで高効率です。また、個別絶縁のソリューションでは、設計者は2つの経路の絶縁レベルを別々に最適化できます。
設計者は、特定の用途に最適なタイプの絶縁技術を自由に選択できます。選択肢には、磁気絶縁、光絶縁、容量性の絶縁などがあります。各種絶縁の選択肢についての詳細は、この記事の範囲を超えるため、「IoTセンサに最適なガルバニック絶縁技術を選択する方法」を参照することをお勧めします。
また、電気的な基礎絶縁(電流が流れない材料を使用)と強化型絶縁にも違いがあります。必要な絶縁レベルは、関与する電圧レベルと、アクセスできる部品がグランドに接続されているかどうかによって決まります。基礎絶縁では、感電に対する1段階の保護が可能です。
電圧が60VDCや30VACを超えるシステムは危険と見なされ、少なくとも1段階の保護が必要です。システムの故障が生じたとき、フェイルセーフが働くとは限りませんが、どのような故障でもシステム内で食い止められます。強化型絶縁や二重絶縁は、2段階の保護を提供します。これにより、故障が発生してもユーザーの安全が確保されます。主電源電圧に接続されたシステムには、強化型絶縁が必要です。
絶縁ソリューションにおける設計トレードオフ
CANバスシステムの絶縁オプションには、電力と信号が個別に絶縁されるディスクリートソリューションと、完全な統合型の電源と信号の絶縁ソリューションがあります。統合型ソリューションは、連携する保護機能、たとえば高静電気放電(ESD)耐性や無線周波数(RF)耐性などを含む場合もあり、これにより統合型ソリューションを車載用や産業用途で使用できます。しかも、過渡電圧サプレッサダイオードなど追加の保護デバイスは必要ありません。
これらの各種ソリューションの選択肢の間には、サイズと効率性の面で性能のトレードオフがあります。ソリューションのサイズの面では、シングルチップソリューションが最も小さく、標準的なフットプリントは約330mm2です。
2チップソリューションは大きくなり、標準的なフットプリントは約875mm2です。ディスクリートソリューションの場合は、外付けDC/DCコンバータと必要なサポート部品のサイズによってサイズが著しく大きくなり、標準的なサイズは約1,600~2,000mm2となります。
また、効率性のトレードオフもあり、ソリューションが大きくなるにつれて効率性が各段に高まる傾向があります。ただし、関与する電力レベルは非常に低くなる傾向があるので(最大15mAで3~5V)、設計では熱の影響はそれほど大きくないとも言えます。
ワンチップや2チップソリューションでは効率性は50%~60%の範囲なのに対して、外付けDC/DCコンバータを使用するディスクリート絶縁ソリューションでは最大75%~80%です。
CANトランシーバのディスクリート絶縁ソリューション
絶縁型CANトランシーバは、比較的単純なデバイスです。例として、70Vバスフォールト保護とフレキシブルデータレートを備えたTexas InstrumentsのISO1042DWR絶縁型CANトランシーバを取り上げます(図1)。ISO1042DWRデバイスは、基礎絶縁や強化型絶縁から選択できます。基礎絶縁のISO1042トランシーバは、産業用途向けに設計されています。
図1:基礎絶縁や強化型ガルバニック絶縁から選択可能なISO1042絶縁型CANトランシーバ。(画像提供:Texas Instruments)
ISO1042は、CANフレキシブルデータレート(FD)モードで最大5Mbpsのデータレートをサポートし、従来のCANよりも大幅に高速なデータ転送を可能にします。このデバイスは、耐電圧5000Vrmsの二酸化シリコン(SiO2)絶縁バリアを使用しています。
ISO1042を使用することで、設計者は個別の用途特有のニーズに最適なバス保護デバイスを選択できます。このデバイスは、絶縁型電源と組み合わせて使用することにより、データバスやその他の回路でノイズ電流がローカルグランドに入って壊れやすい回路を干渉や破損から防ぎます。
これらの絶縁型CANトランシーバには、次のような安全性関連の認証があります(これらは強化絶縁/基礎絶縁のオプションを提供するすべてのデバイスにとって重要な安全規格と認証です)。
・DIN VDE V 0884-11:2017-01に準じた、7071-VPK VIOTMおよび1500-VPK VIORM(強化型と基礎絶縁のオプション)
・UL 1577に準じた1分間あたり5000VRMS絶縁
・IEC 60950-1、IEC 60601-1、EN 61010-1認証
・CQC、TUV、CSA認証
ISO1042の採用を検討する設計者向けに、2つの評価ボードオプションが提供されています。Texas Instrumentsが提供するISO1042DWEVM評価モジュールでは、エンジニアが高性能の強化絶縁型CAN ISO1042を、16ピンワイドボディSOICパッケージ(パッケージコードDW)で評価できます。このEVMは2チップソリューションで、最小限の外付け部品でデバイスを評価するのに十分なテストポイントとジャンパオプションを備えています。
RECOM Powerは、ISO1042向けにR-REF03-CAN1評価ボードを提供しています。このR-REF03-CAN1ボードは、ISO1042絶縁型CANトランシーバがR1SX-3.305/H絶縁型DC/DCコンバータによって給電されるようになっています。このリファレンスボードへの給電には、3.3V外部電源が1つあれば済みます。このリファレンスボードを使うことで、設計者は絶縁システムを迅速に開発、分析できます。
Texas InstrumentsのISO1042は産業用CANの用途での使用に最適化されている一方、NXPのTJA1052i高速CANトランシーバは、電気自動車(EV)とハイブリッド電気自動車(HEV)向けに特化されており、これらの用途では高電圧と低電圧の部品間にガルバニック絶縁バリアが必要です(図2)。
図2:電気自動車とハイブリッド電気自動車での利用に最適化されているNXPのTJA1052i。(画像提供:NXP Semiconductors)
TJA1052iは、リチウムイオン(Li-ion)バッテリ管理、回生ブレーキ、48V~12Vのレベルシフトで使用するように設計されています。このデバイスは、ベルト除去プロジェクトにおける高電圧オンデマンドポンプとモータの絶縁にも使用できます。
AEC-Q100認定のTJA1052iは、ISO 11898-2:2016とSAE J2284-1からSAE J2284-5で定義されているCAN物理層(PHY)を実装しています。絶縁レベルには、1kV、2.5kV、5kVの3種類があります。ISO1042と同様に、TJA1052iには外部絶縁電源が必要です。
統合型の電源と信号の絶縁ソリューション
ディスクリートDC/DCコンバータの実装は、統合型ソリューションと比較して基本的により効率的ですが、統合型ソリューションには次のような利点があります。
・基板面積の削減
・容易な認証
・シンプルな設計
Analog DevicesのADM3055E/ADM3057Eは、5kVrmsと3kVrmsの絶縁型CANトランシーバで、絶縁型DC/DCコンバータが統合されています(図3)。
図3:電源絶縁と信号絶縁の両方を統合しているADM3055E/ADM3057E絶縁型CANトランシーバ。(画像提供:Analog Devices)
これらのデバイスは単一の5V電源から電力を得ており、CANとCAN FDに完全な絶縁ソリューションを提供します。DC/DCコンバータの高周波スイッチングによる放射エミッションは、スイッチング周波数の継続的な調整により、EN 55022クラスB制限以下に維持されています。
5kVrms絶縁電圧、10kVサージテスト、8.3mmの沿面距離とクリアランスに対する安全性と規制の承認(本記事執筆時点では申請中)により、ADM3055Eはアプリケーションの強化絶縁要件を満たすことができます。ADM3057Eには、20ピンのワイドボディSOICに3kVrmsの絶縁電圧と7.8mmの沿面距離が含まれています。
ADM3055E/ADM3057Eを使用した設計開発の取り組みをサポートするために、Analog DevicesはEVAL-ADM3055EEBZ評価ボードを提供しています。ADM3055EとADM3057Eは、ロジック側のオンオフキーイング(OOK)信号絶縁チャンネルとAnalog DevicesのisoPower DC/DCコンバータを統合しており、これにより安定化された絶縁電源を実現します。
この電源は、表面実装のフェライトビーズを備えた2層プリント回路(PC)基板上での送信時に、EN55022クラスBの制限を十分に下回ります。
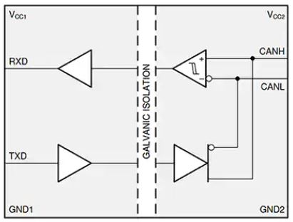
Texas Instrumentsは、CAN通信における電源と信号の絶縁に対して異なるアプローチを提供しており、2チャンネルのデータと電源の絶縁デバイスISOW7841とCANトランシーバTCAN1042Hを使用する2チップソリューションに基づいています(図4)。
図4:電源と信号の絶縁を片方のチップ(左)で、もう一方のチップ(右)でCAN通信を提供する2チップソリューション。(画像提供:Texas Instruments)
ISOW7841チップ内のトランスの統合により、x、y(縦横)の寸法だけでなくz(高さ)の寸法でもスペースが節約されます。ISOW7841の評価用に、ISOW7841EVM評価モジュールが提供されています。2つのチップを使用する場合、ISOW7841デバイスを基板の片側に配置しCANデバイスをもう片方の側に配置することで、全体的な基板スペースを削減できます。
この2チップソリューションによって生まれる設計では、絶縁された電源を生成するための追加部品が必要なくなり、この絶縁ソリューションのサイズは、必要な絶縁された電源の生成にディスクリートトランスを使用するソリューションに比べて1/4未満になります。
関連するリファレンス設計の1つでは、3~5.5Vの単一電源入力と、基板片側の入力電源レベルを参照するデジタル信号を受けます。そして、ISOW7841が、統合型DC/DCコンバータを使用して絶縁型電源を生成し、この電源が基板のもう一方側にあるCANトランシーバへの電力供給に使用されます。
基板の電源側の信号は絶縁され、CANトランシーバに接続されます。CANトランシーバによって、シングルエンドのデジタル信号が差動CAN形式に変換されます。
結論
電源絶縁と信号絶縁は、サブシステム間のグランド電位差、コモンモードのエネルギーや放射エネルギーのような一般的なノイズ源、または配電バス上の高電圧ノイズやスパイクなどに起因する、潜在的な故障からCANバスを保護するために必要です。
この記事で述べたように、CANバスシステムの絶縁オプションには、電源と信号の個別の絶縁によるディスクリートソリューションと、完全な統合型の電源と信号の絶縁ソリューションがあり、連携する保護機能を含めることによってサプレッサダイオードなどの保護デバイスを追加せずに車載用/産業向けの用途に使用できるようになります。
お勧めの記事
(1) IoTセンサに最適なガルバニック絶縁技術を選択する方法
(2) 最新のCANバス機能強化を適用してセキュアで信頼性の高い車載用高速通信を実現
免責条項:このウェブサイト上で、さまざまな著者および/またはフォーラム参加者によって表明された意見、信念や視点は、Digi-Key Electronicsの意見、信念および視点またはDigi-Key Electronicsの公式な方針を必ずしも反映するものではありません。
このページのコンテンツはDigi-Key社より提供されています。
英文でのオリジナルのコンテンツはDigi-Keyサイトでご確認いただけます。
Digi-Key社の全製品は 1個からマルツオンラインで購入できます

ODM、OEM、EMSで定期購入や量産をご検討のお客様へ【価格交渉OK】
毎月一定額をご購入予定のお客様や量産部品としてご検討されているお客様には、マルツ特別価格にてDigi-Key社製品を供給いたします。
条件に応じて、マルツオンライン表示価格よりもお安い価格をご提示できる場合がございます。
是非一度、マルツエレックにお見積もりをご用命ください。





