デバイス
ロボットのリアルタイム制御やIoTシステムに最適 ROS2対応プロトタイピング用小型ボード「GR-ROSE」好評発売中!
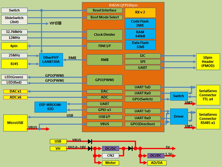
GR-ROSEは、がじぇっとるねさすが提供するロボットやIoTのプロトタイピング用の小型ボードです。同シリーズのボードには花の名前が付けられており、今回はバラです。実際にハードウェアを開発したのは株式会社コアです。GR-ROSEには、シリアルサーボやセンサ、電源などを接続するためのインターフェースが用意されており、基板サイズも50mm×45mmと小さいのでロボットに組み込みやすくなっています。ハードウェアとしては、120MHzで動作するRX65Nマイコンを採用し、Wi-Fi用にESP-WROOM-02を搭載しています。そのほか、EthernetやmicroUSB、PMODインターフェースなども使用できます。

がじぇっとるねさすは、ルネサスエレクトロニクス社が運営するメイカーズムーブメントのサポートコミュニティです。ルネサスエレクトロニクス社のマイコンを採用したボードを使用していますが、ユーザーの要望を反映させることに重点を置いていて、ワークショップやものづくりコンテストを定期的に開催しています。
GR-ROSEは、人間の脳や脊椎、神経の役割を想定しており、Arduino IDE+ROS2(ロボットOS)によりロボット動作の分散処理を簡単に実現することができます。さらに、AWS FreeRTOSを利用したマルチタスク化や、AWS IoTへの接続も可能です。ROS(Robot Operating System)は、ロボットの制御ソフトをオープンコミュニティで開発することを目指したロボット用のソフトウェアプラットフォームです。Linux上で動作しますが、macOSやWindows、Androidでも一部の機能が対応しています。最新バージョンのROS2では、複数のロボットの制御やWi-Fiへの対応などが強化されています。
●GR-ROSEの主な仕様
・搭載MPU:RX65N(R5F565NEHDFP、100ピンLQFP、120MHz)
・ROM/RAM:2MB/640KB
・温度センサー(MPUに内蔵)
・ROS用I/F:Ethernet USB
・シリアルサーボ用I/F:1線式(ICS方式)/2線式(UART)×4、RS-485×1
・12ビットA/Dコンバータ×6、D/Aコンバータ×1
・Wireless:IEEE 802.11b/g/n(ESP-WROOM-02D)
・PMOD用インターフェース×1(I2C SPI UART)
・外部電源入力:microUSBまたは電源コネクタ4.5V~5.5V
・外部電源出力:3.3V/5V
・サイズ:50×45mm(突起物含まず)
| ロボットOS(ROS2)対応小型ボード GR-ROSE 【GR-ROSE】 6,980円 |




