最小限のプログラミングでUSB-Cデバイスからの電力伝送を素早く100Wに増強する方法
著者 Jens Wallmann 氏
DigiKeyのヨーロッパ担当編集者の提供
2023-08-10
マルツ掲載日:2023-11-27
USB Type-C(USB-C)ポートが一般的になり、さまざまな接続機器にこれまで以上の高いレベルの電力を供給する際もUSB-Cに依存しています。しかし、USB-Cの仕様では、「Type-C専用」デバイスの基本電源は最大15W(5V、3A)に制限されています。この制限を克服するには、USB Power Delivery(PD)を追加することにより、標準電力範囲(SPR)で最大100W(20V、5A)を供給できるType-C PDデバイスを開発することができます。
今や、包括的なUSB PDプロトコルを苦労してプログラミングしなくても、市販のPDコントローラを使って、AC/DC充電器や電流制御USBポートにカスタム化されて最適化されたPD機能を追加することができます。
この記事では、PDシステムの中核となる要件の概要を説明します。次に、onsemiのFUSB15101MNTWG PDコントローラを紹介し、評価ボード、開発ソフトウェア、プログラミング/デバッグアダプタ、PDプロトコルアナライザを使用して、プログラム済みのコントローラのファームウェアを迅速に設定する方法を説明します。
プロトコル制御パワーレギュレーション機能付きスイッチングコンバータ
かつて、電池駆動デバイスのコンセント用充電器は、トランスと整流器という2つの部品だけで構成されていました。しかし現在では、より高い効率と、より高い柔軟性、そして継続的な小型化の必要性から、単純な電子デバイスに電源を供給することでさえも複雑な作業になっています。
今日のマイクロコントローラベースのスイッチングコンバータは、複雑なプロトコルを介して、接続されたスマート負荷と出力電力を動的にネゴシエートする必要があります。
USB PDはそのようなプロトコルの1つです。バージョン3.1では、インテリジェントなUSB Type-C 電子的捺印付きケーブルアセンブリ(EMCA)接続ケーブルを介して、最大240Wのライン電源を調整すると同時に、古いUSB規格との下位互換性を維持しています。
しかし、24ピンのUSB-Cコネクタを介したダイナミックPD電源供給の制御は、従来の4線式USBインターフェースのデータライン上の静的制御電圧をはるかに超えるものです。
USB PDデバイスは、ダウンストリームフェイシングポート(DFP)電源として、アップストリームフェイシングポート(UFP)電源負荷(またはシンク)として、あるいはデュアルロールポート(DRP)モードで動作することができます。
PDソースデバイスは、内部で2本のコントロールライン(CC1とCC2)にプルアップ抵抗を切り替え、PDシンクデバイスは、内部のプルダウン抵抗によって自身を識別します。
2本のCCラインは、最大356ビット長のPDメッセージを300kHzのクロックレートで伝送するために同時に使用されます(図1)。短い制御メッセージは2つのポートパートナー間のメッセージフローを調整し、長いデータメッセージは電源ネゴシエーションや組み込みセルフテスト(BIST)の制御、OEM固有のコンテンツの送信に使用されます。
図1:PDメッセージ構造は、動的に最大356ビットの長さにすることができます。(画像提供:Cypress Semiconductor、embedded.com経由)
PDデバイス間の電源ネゴシエーション
USB PD 3.0 SPRは、5Vから20Vの間でいくつかの固定電圧レベルを定義し、100Wまでの静的電力プロファイルのみをサポートしています。プログラマブル電源(PPS)と呼ばれる拡張機能を使用すると、USBシンクデバイスは、そのニーズに応じて、USB電源から20mV刻みで3~21Vの電圧をリアルタイムで要求することができます。
これにより、PPSはモバイル機器内のスイッチングコンバータエレクトロニクスを簡素化し、放熱を低減し、電力整合を最適化することで充電を加速します。USB PD 3.1は、最大240Wまでの拡張電力範囲(EPR)を定義し、15~48Vの間のより高い範囲でバス電圧を調整するために調整可能電圧供給(AVS)を使用します。
3Aはすでに一般的なUSBケーブルの通電容量を超えているため、USBインプリメンターズフォーラム(USB-IF)では、専用のEMCAケーブルを使用するよう定めています。これらは、より太いワイヤ断面とケーブル絶縁を特徴としています。
ケーブルプラグのE-Markerチップは、PDプロトコルを使用して、これらの強化されたケーブル機能を確認します。そうすることで、ソースデバイスとシンクデバイス間の電源ネゴシエーションに影響を与えます。
PD通信は特別なKコードを使用してメッセージを明確化します。シーケンスの開始を示す特別なKコードシーケンスは、Start Of Packet(SOP)と呼ばれます。SOP、SOP'、SOP''の3つのシーケンスが定義されており、DFP(PDネットワーク充電アダプタなどの電源)がイニシエータとしてEMCAケーブルコネクタ内の2つのE-Markerチップのいずれか、およびUFP(USB電源シンク)と通信できるようになっています。
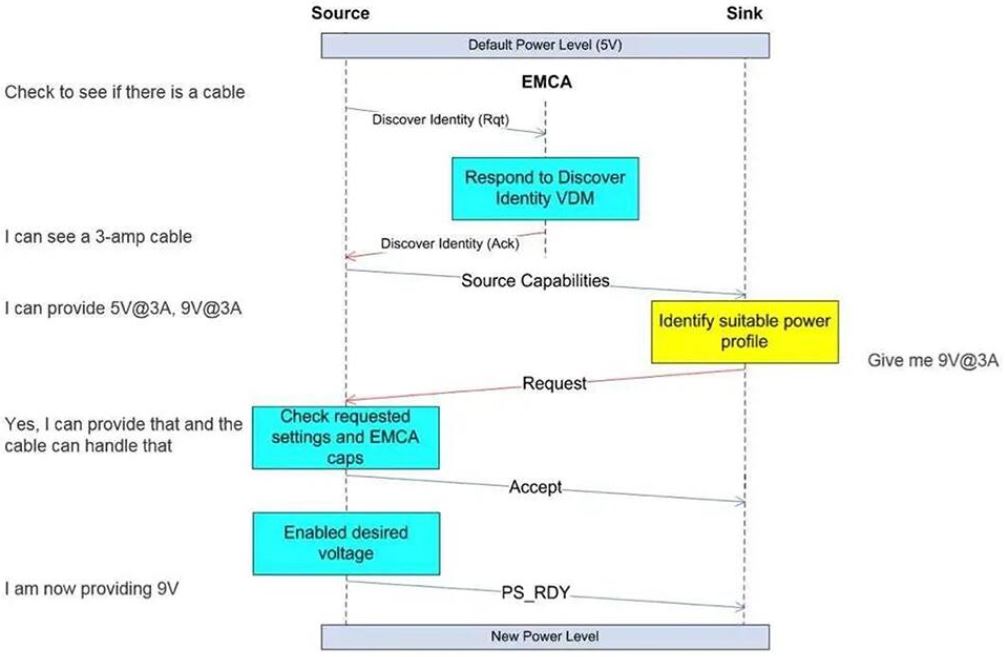
図2のフローチャートは、EMCAケーブルで接続された2つのPDデバイス間の電源ネゴシエーション成功時のメッセージ交換を示しています。
図2:EMCAケーブルを介した2台のUSB PDデバイス間の電源ネゴシエーションが成功している様子を示しています。(注:Rqt=リクエスト、Ack=アクノリッジ、画像提供:Cypress Semiconductor、embedded.com経由)
プログラムに代わる設定
PDプロトコルの複雑さは、開発者にとっては骨の折れるプログラミング作業となります。より迅速なアプローチは、代わりにカスタム機能を備えたプログラム済みのUSB PDコントローラを取り入れることです。
コントローラの例としては、onsemiのFUSB15101MNTWGがあります。これは高度に集積されたUSB PD 3.1コントローラで、オプトカプラを介してAC/DCアダプタの1次側スイッチングレギュレータを制御したり、DC/DCポートの電流レギュレータを直接制御したりすることができます。
このオールインワンソリューションは、D/Aコンバータ、A/Dコンバータ、NTC温度検知、NMOSゲートドライバなど、最適化されたハードウェア周辺回路により、回路の複雑さを最小限に抑えます。
アプリケーションプログラミングインターフェース(API)とEclipseベースの統合開発環境(IDE)を備えたオープンソースのファームウェアにより、プログラミングが容易に行えます。
FUSB15101は、高効率のArm Cortex M0+プロセッサとUARTインタフェースを集積し、PPS仕様にも対応しているため、出力電圧を3.3V~21Vの範囲で調整できます。プログラム可能な定電圧(CV)と定電流(CC)レギュレーションを提供し、ケーブル損失を補償します。
また、過電圧、不足電圧、過電流、過温度保護機能、USB-Cコネクタピンの過電圧保護ダイオードも利用できます。PDコントローラは、EMCAケーブルのE-Markerチップに対してVCONN電源をサポートし、アイドルモードとスリープモードは適合証明書(CoC)と実験計画法(DOE)の要件を満たしています。
一般的なアプリケーションを以下に示します。
・USB PD対応AC/DCアダプタ(アプリケーション1参照)
・USB PD対応DC/DCポート(アプリケーション2参照)
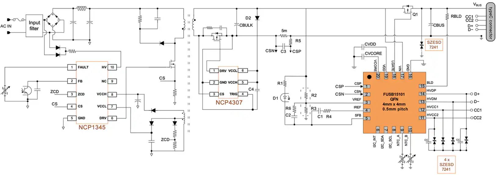
アプリケーション1:USB PD出力を備えたAC/DCスイッチング電源
このアプリケーションでは、FUSB15101 USB PDコントローラが、オプトカプラを介してAC/DCスイッチング電源の1次側でNCP1345Q02D1R2G擬似共振(QR)フライバックスイッチングレギュレータを制御します。NCP1345は、3.3Vの低USB出力電圧でMOSFETに十分なスイッチング電圧を供給するため、2つ目の補助巻線を使用して4倍の電圧を発生させながら、トランスの補助巻線からの9~38Vで動作します。
2次側では、NCP4307AASNT1Gコントローラが同期整流を制御します。3つのICを組み合わせることで、さまざまなPD電源プロファイルで一貫して約90%の効率を達成する変速電源が実現します。
図3は、65W(20V/3.25A)を供給する3つのICをベースにしたUSB-C PD 3.0 PPSメイン充電器の主回路図です。
図3:このUSB PDコンセント用充電器用ソリューションでは、FUSB15101はオプトカプラを介してAC/DCスイッチング電源の1次側でNCP1345 QRフライバックスイッチングレギュレータを制御します。(画像提供:onsemi)
プログラマは、図4に示すonsemiのNCP1342PD65WGEVB評価ボードを使用して、独自のUSB PD電源アプリケーションを開始します。
図4:NCP1342PD65WGEVB USB-C PD 3.0コンセント用充電器評価ボードを使用することで、プログラマはすぐに使い始めることができます。(画像提供:onsemi)
このボードのストレージチョークは、コンパクトなRM8トランスの形で、60W(20V/3A)の出力電力を供給します。NCP1342BMDCDD1R2G擬似共振フライバックスイッチングレギュレータは、1つの補助巻線のみから9~28Vで動作します。
高性能オフライン電源コンバータやUSB PDアダプタの開発に適しており、負荷範囲全体で効率を向上させるラピッド周波数フォールドバック(RFF)が特徴です。内蔵のアクティブX2放電コンデンサにより、放電抵抗が不要になり、無負荷時の消費電力が40mWを下回ります。
アプリケーション2:USB PDポート用DC/DC電流コントローラ
このアプリケーションでは、FUSB15101 USB PDコントローラがNCV81599MWTXG 4段バック/ブースト、ステップアップ/ダウンDC/DCコンバータコントローラを駆動します。これにより、通常は15Wに制限されているUSB-Cポートを、デバイスの内部DC電源またはバッテリから供給される60W以上のPD電源に拡張することができます(図5)。
図5:このDC/DCポート電流コントローラアプリケーションでは、FUSB15101が4段DC/DCコンバータコントローラNCV81599を直接制御しています。(画像提供:onsemi)
FUSB3307MPX-PPS-GEVB 評価ボードを使用することで、時間を節約し、NCV81599のテストとプログラミングをすぐに開始することができます。このDC/DC電流レギュレータ回路は、USBポートをPD 3.0 PPS電流源に変換し、3.3~21Vのバス電圧で最大5Aを供給します(図6)。この回路はE-Markerケーブルの検出が可能で、スタンドアロンでもテスト機器に接続しても動作します。
図6:FUSB3307MPX-PPS-GEVBは、USBポートをPD 3.0 PPS電源に変えるNCV81599の評価ボードです。(画像提供:onsemi)
FUSB3307ボードのVBAT入力には、直流電源またはバッテリから 4.5~32Vが供給されます。この回路は定電圧(CV)または定電流(CC)の安定化に対応し、過電圧、不足電圧、短絡、過温度、ケーブル故障状態に対する保護機能を備えています。
FUSB15101のプログラミング
FUSB15010ファームウェアは、高度に最適化されたType-C PDコントローラドライバで、集積されたArm Cortex M0+プロセッサをサポートします。ファームウェアは、新しいPDメッセージだけでなく、追加のType-Cステータスフローも扱える柔軟性を持っています。
コードはモジュール方式で構成され、アプリケーションのソースコード、ハードウェアの抽象化レイヤ、プラットフォーム依存のコード、USB Type-C PDのコア機能が分離されています。
PDのコア機能は、プロジェクトのビルドオプションか、ベンダー情報ファイル 「vif_info.h」 を変更することで設定できます。このコードベースには、IDEを使用してコンパイルできるEclipseサンプルプロジェクトが含まれており、Type-C PDスタンドアロンコントローラを評価するための高速起動が可能です。
表1は、FUSB15101がサポートするPDプロファイルをまとめたもので、PDOは電源供給オブジェクトです。
表1:FUSB15101がサポートするPDプロファイルを示します。(表提供:onsemi)
前述したように、充電プロファイルのパラメータは、ファイル「vif_info.h」で非常に簡単に変更することができます。以下のコードは、PDO 4の最大電流を20V/3Aから20V/3.25Aに変更する方法を示しています。
現在のPDO値は、以下のとおりです。
#define PORT_A_SRC_PDO_VOLTAGE_4 400//20000mV
#define PORT_A_SRC_PDO_MAX_CURRENT_4 300//3.00A
新しいPDOの値は、以下のとおりです。
#define PORT_A_SRC_PDO_VOLTAGE_4 400//20000mV
#define PORT_A_SRC_PDO_MAX_CURRENT_4 325//3.25A
IDEのインストール、ファームウェアのインポート、バイナリファイルのコンパイルなどの詳細や手順については、 FUSB15101EVBSPGガイドを参照してください。プログラミングツールのインストールとワンタイムフラッシュの手順については、UM70086-Dのユーザーマニュアルに記載されています。開発を容易にする適切なArm Cortex-Mプログラミングおよびデバッグアダプタは、 Segger Microcontroller Systemsの8.08.91 J-LINK EDU MINIです。
PD通信の確認
開発者は、2つのUSB PDデバイス間の通信を検証するために、USB PD 3.0およびUSB-C仕様をサポートするInfineon TechnologiesのCY4500プロトコルアナライザを使用することができます。
非侵入型試験を実行し、CC回線上の正確なプロトコルメッセージをキャプチャします。関連するEZ-PD解析ソフトウェアは、2台のUSB PDデバイスとEMCAケーブル間のダイアログのすべてのメッセージを詳細に一覧表示します(図7)。
図7:EZ-PD解析ソフトウェアは、CCラインを介した2つのUSB PDデバイス間のダイアログを追跡します。(画像提供:Infineon Technologies)
まとめ
エンドユーザーデバイスの電源ニーズの高まりに対応した設計を行うためには、USB PDプロトコルの基本を理解することが重要ですが、これは複雑なプロトコルであるため、大規模なプログラミングが必要になる場合があります。
時間を節約するため、開発者はプログラム済みの高度に集積されたUSB PDコントローラを使用し、15WのUSB-C電力を100W以上に高めることができます。AC/DC USB充電器やDC/DC USBポートは、PDコントローラを設定するだけで、カスタムPD機能を強化することができます。評価ボードとPDプロトコルアナライザを活用することで、開発プロセスが容易になります。
免責条項:このウェブサイト上で、さまざまな著者および/またはフォーラム参加者によって表明された意見、信念や視点は、DigiKey Electronicsの意見、信念および視点またはDigiKey Electronicsの公式な方針を必ずしも反映するものではありません。
このページのコンテンツはDigiKey社より提供されています。
英文でのオリジナルのコンテンツはDigiKeyサイトでご確認いただけます。
DigiKey社の全製品は 1個からマルツオンラインで購入できます

ODM、OEM、EMSで定期購入や量産をご検討のお客様へ【価格交渉OK】
毎月一定額をご購入予定のお客様や量産部品としてご検討されているお客様には、マルツ特別価格にてDigiKey社製品を供給いたします。
条件に応じて、マルツオンライン表示価格よりもお安い価格をご提示できる場合がございます。
是非一度、マルツエレックにお見積もりをご用命ください。





