|
「アプリケーションラボ」は、Digi-Key社のご協力をいただいて、 Digi-Key社が公開している新製品や技術情報を日本語でご紹介する Webページです。基礎技術から最新技術まで有益な情報を公開してい ますので、是非ご活用ください。
今回は、USB接続において電源およびデータ線を絶縁する方法について解説した記事をご紹介します。
■USB電源とデータの絶縁のための技術とソリューション
USB(Universal Serial Bus)はパソコンとその周辺機器を接続する目的で開発された規格ですが、現在では様々な電子機器どうしを接続するために使用されています。そのため、医療機器や産業機器などでは、不慮の事故を防ぐためにUSB接続においても絶縁が要求されるようになっています。しかし、USBはデータ転送速度が改善されて高速になっているので、高速なデータ線を絶縁することは難しくなっています。
ガルバニック絶縁は1次側と2次側が電気的に完全に絶縁されていることをいいますが、分離された電気回路間でデータや情報の転送を可能にします。一般にガルバニック絶縁を行うには、光学的、電磁的、容量的な方法があります。光学的方法では、光アイソレータを使用します。また、電磁的方法はトランスを使用し、容量的方法はコンデンサを使用します。

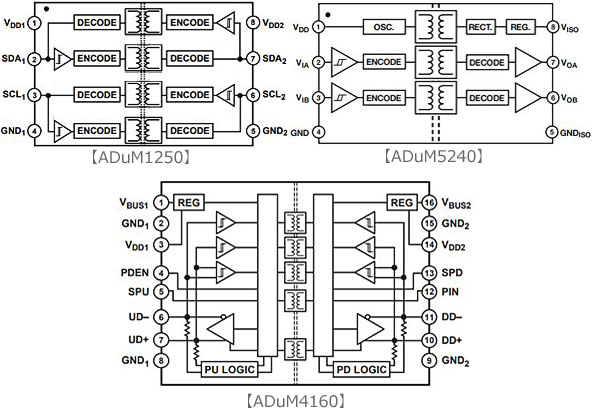
【アプリケーションラボ】では、それぞれの絶縁方法のメリットとデメリットについて解説し、使用する具体的なデバイスを紹介しています。電磁的方法では、アナログデバイセズ社はiCouplerと呼ばれるシリコンチップ上にコイルを作り込む技術を開発し、絶縁バリアを介してコイルを対向させることで絶縁を実現しています。たとえばADuM1250やADuM5240は、最大1Mbit/秒のデータレートでUL1577規格に準拠した1分間2.5kVrmsの絶縁定格を備えています。また、ADuM4160は、USBホストとUSB周辺機器を接続するケーブルにおいて絶縁を実現するデバイスで、USB2.0規格のフルスピード(12Mビット/秒)とロースピード(1.5Mビット/秒)に対応し、1分間5kVrmsの絶縁定格を備えています。
ここで解説されているデバイスは、マルツオンラインのウェブサイトで購入できますので、是非参考にしてください。
双方向I2CアイソレータADuM1250 【ADUM1250ARZ-RL7】 ¥963.16(税込¥1,059.47) |
 |
DC/DCコンバータ内蔵2chアイソレータADuM5240 【ADUM5240ARZ】 ¥1,150(税込¥1,265) |
 |
USBデジタルアイソレータADuM4160 【ADUM4160BRIZ-RL】 ¥1,509.1(税込¥1,660.01) |
 |
下記の2本の解説記事も同時に公開しました。合わせて参考にしてください。
■クラウド接続なしでなりすまし耐性のある顔認識を迅速に実装
顔認識はスマートフォンなどでは採用されていますが、それ以外の用途には普及していません。それはセキュリティ対策が難しいからです。ここでは、安全な認証の難しさについて説明し、スマート製品にオフラインのなりすまし防止顔認識を迅速に実装する方法を示します。
■リアルタイムオペレーティングシステム(RTOS)とそのアプリケーション
現在、リアルタイムオペレーティングシステム(RTOS)は、組み込みシステムにおいて重要な役割を担うようになっています。ここでは、実行時間の予測可能性と決定論性を示すRTOSの概念およびRTOSを使用する理由、APIの使い方などを解説します。
|