メルマガ
最小限のスペースで最大の電圧サージ抑制を実現するIsoMOVの選定と適用方法」 (Digi-Key社【アプリケーションラボ】技術解説記事のご紹介)
|
|
||||||
![]() |
「最小限のスペースで最大の電圧サージ抑制を実現するIsoMOVの選定と適用方法」 (Digi-Key社【アプリケーションラボ】技術解説記事のご紹介) |
||
|
|||||||
![]() |
回路設計から部品の調達、基板製造/実装、ハーネス/ケース加工まで 「アッテネータ回路(減衰器)」の製作例をご紹介します | ||
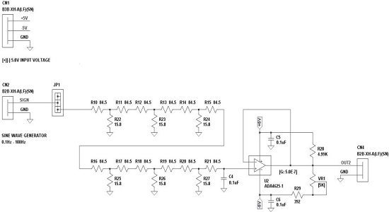
| マルツエレックでは、回路設計から基板設計・製造・実装、そして量産まで皆さまのさまざまな「ものづくり」のお手伝いをさせていただく「プロトファクトリー」事業を行っています。 これまでにお引き受けした電子回路の設計事例としては、 ・電源回路/同期整流回路/インバータ回路 ・モーター制御回路 ・センシング回路 ・2次電池アプリケーション回路 ・LEDドライブ回路 ・メガソーラーシステム回路 などがあります。 その他の回路設計についてもご要望にお応えいたします。また、回路設計をお引き受けするにあたっては、回路の詳細設計をする前にブロック図による概念設計を行い、SPICEシミュレーションを行って検証しています。 ここでは、SPICEによる回路解析シミュレーションを行った事例として、「アッテネータ回路(減衰器)の製作」の例をご紹介します。SPICE を活用することにより回路設計時間を短縮し、設計確度を向上させています。 アッテネータ回路の最適解を求めるには、回路定数を様々に変えて実験する必要があり、実際の回路で行うのは非常に時間と手間がかかります。しかし、SPICEのパラメトリック解析を使用すると容易に行うことができます。パラメトリック解析は、抵抗やコンデンサ、コイル、電源などのパラメータを変更しながら特性を解析するものです。
実際の回路図を上図に示しますが、キーデバイスとなるオペアンプについては、詳細なデバイスモデリングを実施しています。今回は、Gainが5.0E-4と5.0E-7の2つの減衰条件についてSPICEのパラメトリック解析を行っています。回路の検証は、実際の入力信号となる正弦波により複数の条件を設定してSPICEシミュレーションを行いました。 マルツエレックでは回路設計だけでなく、部品の調達や基板の製造と実装、ハーネスやケースの加工、さらに量産までをお引き受けしています。詳細は、下記のWebページを参照してください。ご相談は、ものづくり相談受付フォームからお申込みください。 ▽プロトファクトリー https://www.marutsu.co.jp/pc/static/protofactory/index ▽ものづくり相談受付フォーム http://sv.marutsu.co.jp/enquete/?id=16 |
||||||
| PICK UP PRODUCTS | ||
| 【3,300円以上[税込]】お買い上げで送料無料 | ||||||||||||||||||
|
||||||||||||||||||
|
![]() |
||
|
|























