• マイページ
  • カート 0
    0 0円
  • お問合せ
SLA7072MPRT-LF2151
低圧ステッピングモータドライバ(2相ユニポーラ)
マルツコード:
M3655-666
品質ランク:
A1
即納在庫数:
0個
2026/04/26 18:43 現在)

納期:
5営業日程度
数量
MOQ:180
SPQ:180
最小180個から購入可能
180個以上から180個単位で購入可能
180個以上
¥1,275.00
(税込¥1,402.00)

低圧ステッピングモータドライバ(2相ユニポーラ)【SLA7072MPRT LF2151】

の概要

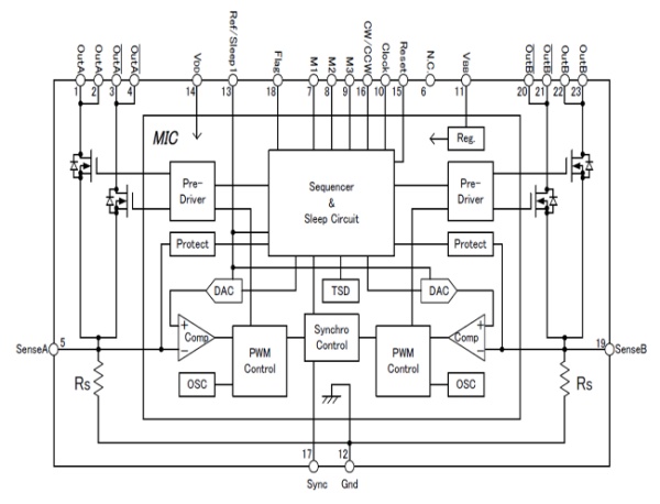
本製品は、オフ時間固定の自励式PWM定電流制御を行う2相ユニポーラ駆動用モータドライバです。 電流検出抵抗を内蔵した事により周辺部品の削減ができます。 更に過熱時やモータ異常時(コイルショート&オープン)に働く保護機能を搭載しています。 なお、「シーケンサ」および「電流定格」によるシリーズ化をしていますので、ご使用になるモータに応じて選定できます。

●特長

・電流検出抵抗内蔵、保護回路内蔵タイプもラインアップ
・主電源電圧VBB:46V(max)実使用:10V~44V
・Logic電源電圧VDD:3.0V~5.5V対応
・出力電流Io:1A、1.5A、2A、3A(最大設定電流)をラインアップ
・Clock入力方式(シーケンサ内蔵)
・自励タイプPWM電流制御方式採用
・Hold時のモータ異音を防止する同期チョッピング機能搭載
・待機時の消費電流を低減するSleep機能搭載
・ZIPタイプ23Pinモールドパッケージ採用(SLAパッケージ)

【アプリケーション例】
・コピー機
・プリンタ
・各種製造装置

●仕様

励磁方式2相/1-2相
最大電源電圧44V
出力電流2.0A
オン抵抗0.25Ω
入力方式クロックイン
OCP
TSD
同時オン防止機能
コイルオープンあり
質量 (Typ.)5.8g
電装品対応NO

在庫状況:営業所に在庫はございません。

マルツ全店でオンライン注文&店頭受取りサービスをご利用いただけます。

※掲載されている価格には消費税、各種手数料が含まれておりません。別途消費税およびお支払方法に応じた手数料が必要になります。

※このホームページに掲載されている、記事・写真の一部または全部をそのまま、または改変して利用・転載・転用することを禁じます。

※商品によって販売価格が店頭価格と異なる場合がございます。

※弊社ではお客様が商品を選びやすくするためにデータシートの提供や技術情報、商品画像の表示を行っています。
しかしさまざまな事情により、これらの情報がすべて正確であることを弊社が保証することはできません。
商品の正確な仕様等は各メーカーの最新のデータシートで確認して頂きますようお願いいたします。
また、商品画像につきましても、当アイテムとは異なるイメージ画像を表示している場合がございます。
ご注文の際はくれぐれもご注意願います。また、注文間違いの返品交換は応じかねますのであらかじめご了承下さい。

特集コーナー

  • 接着剤の種類や特長、選び方のポイントを詳しくご紹介します

  • SDカードやUSBメモリなど様々なタイプの製品と特長についてご紹介します

  • 工場や研究室、日常生活など液体の漏れやハネには「吸着マット」がおすすめです!

  • 最新規格に対応した高速モデルからコストパフォーマンスに優れたものなど様々なタイプのLANケーブルを取り揃えています

  • ブルーシートの種類や選び方、防災での活用法を詳しくご紹介いたします

  • 重要な書類や個人情報を安全に処理する「シュレッダー」特集

  • 乾電池・充電池の種類やラインナップをご紹介 さらには便利なワンポイント情報も!

  • 外出先でも安心!ライフスタイルにぴったりのモバイルバッテリーを見つけてください

DigiReelの説明
Page Top
箱番号の使い方

【標準梱包形態】

標準の梱包は、Digi-Keyがメーカーから受け取る最小の梱包サイズです。 Digi-Keyの付加価値サービスにより、最小注文数は、メーカーの標準パッケージより少なくなっている場合があります。 梱包形態(リール、チューブ、トレイなど)は、製品を少量梱包に分割する際に変更される場合がありますので、ご了承ください。

【梱包形態】

テープ&リール

テープ&リールは、メーカーから受け取った未修正の連続テープのリールです。 リーダおよびトレーラとしてそれぞれ知られている最初と最後の空のテープの長さは、自動組立装置の使用を可能にします。 テープは、米電子工業会(EIA)規格に従いプラスチックリールに巻き取られます。 リールサイズ、ピッチ、数量、方向およびその他詳細情報は通常、部品のデータシートの終わりの部分に記載されています。 リールは、メーカーによって決定されたESD(静電気放電)およびMSL(湿度感度レベル)保護要件に従って梱包されます。

カットテープ

カットテープは、ご注文部品の数量を正確に含むリール(上記)から切断された長さのテープです。 カットテープにはリーダーやトレーラーが含まれていないため、多くの自動組立機械には適していません。 テープは、メーカーによって決定されたESD(静電気放電)およびMSL(湿度感度レベル)保護要件に従って梱包されます。

Digi-Reel®

Digi-Reel®はお客様のご要望の数量を連続テープでリールに巻いて販売するものです。Digi-ReelはEIA(米国電子工業会)規格に準拠し、テープには18インチ(約46cm)のリーダーとトレイラーを付けてプラスティックリールに巻いて販売いたします。Digi-Reelはお客様からご注文を頂いてから作成されますが、対応している製品のほとんどは当該製品の在庫から作成され即日出荷されます。在庫不足等の理由で出荷が遅れる場合は、お客様に別途ご連絡を致します。
リール1巻きについて「リーリング手数料」が加算され価格に含まれています。